LEMON Manuals: Even more car manuals for everyone: 1960-2025
Home >> Mitsubishi >> 2013 >> Lancer Evolution MR >> Repair and Diagnosis (Single Page) >> Brakes >> Traction Control >> Active Stability Control System (ASC) - Lancer Evolution >> Diagnosis >> Diagnostic Trouble Code Procedures >> DTC C1000: Abnormality In Stoplight Switch Circuit >> Notes
April 5, 2026: LEMON Manuals is launched! Read the announcement.

DTC C1000: Abnormality In Stoplight Switch Circuit: Notes

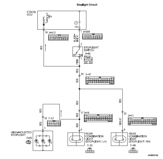
Fig 1: Stoplight Circuit Diagram
G00529030Courtesy of MITSUBISHI MOTOR SALES OF AMERICA.
Fig 2: Stoplight Circuit Connector Locations
G00529031Courtesy of MITSUBISHI MOTOR SALES OF AMERICA.
CAUTION: