LEMON Manuals: Even more car manuals for everyone: 1960-2025
Home >> Mitsubishi >> 2013 >> Lancer Evolution MR >> Repair and Diagnosis >> Quick Lookups >> Wiring Diagrams >> Connector End Views - Evolution >> Connector End Views >> Wheel Speed Sensor Connector End View
April 5, 2026: LEMON Manuals is launched! Read the announcement.

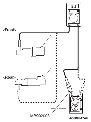
Wheel Speed Sensor Connector End View

Fig 1: Wheel Speed Sensor Connector End View
G05394611Courtesy of MITSUBISHI MOTOR SALES OF AMERICA.


Fig 1: Wheel Speed Sensor Connector End View
G06675329Courtesy of MITSUBISHI MOTOR SALES OF AMERICA.