LEMON Manuals: Even more car manuals for everyone: 1960-2025
Home >> Mitsubishi >> 2013 >> Lancer SE >> Repair and Diagnosis (Single Page) >> Transmission >> Automatic Trans >> Continuously Variable Transaxle (CVT) Diagnosis & On-Vehicle Service - Lancer >> On-Vehicle Service >> CVT Control Component Check >> CVT Control Relay Check
April 5, 2026: LEMON Manuals is launched! Read the announcement.

CVT Control Relay Check

  1. Remove the CVT control relay.
    Fig 1: Identifying CVT Control Relay
    G05375811Courtesy of MITSUBISHI MOTOR SALES OF AMERICA.
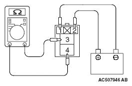
  2. Use a jumper wire to connect the positive battery terminal (+) to the CVT control relay terminal No. 2, and the negative battery terminal (-) to the terminal No. 1.
  3. Check for continuity between the CVT control relay terminals No. 3 and No. 4.
    CVT CONTROL RELAY OPERATION

    Jumper wire Continuity between terminals No. 3 and No. 4
    Connect Yes (2 Ω or less)
    Disconnect No
    Fig 2: Checking Continuity Between CVT Control Relay Terminals 3 And 4
    G05375812Courtesy of MITSUBISHI MOTOR SALES OF AMERICA.
  4. If not as specified, replace the CVT control relay.