LEMON Manuals: Even more car manuals for everyone: 1960-2025
Home >> Mitsubishi >> 2013 >> Outlander ES >> Repair and Diagnosis (Single Page) >> Accessories & Equipment >> Communication Devices >> Controller Area Network (Can) Diagnosis >> Diagnosis >> Can Bus Diagnostics >> Diagnostic Item 19: Diagnose When The Scan Tool Cannot Receive The Data Sent By A/C-Ecu >> Notes
April 5, 2026: LEMON Manuals is launched! Read the announcement.

Diagnostic Item 19: Diagnose When The Scan Tool Cannot Receive The Data Sent By A/C-Ecu: Notes

CAUTION: When servicing a CAN bus line, ground yourself by touching a metal object such as an unpainted water pipe. If you fail to do so, a component connected to the CAN bus line may be damaged.
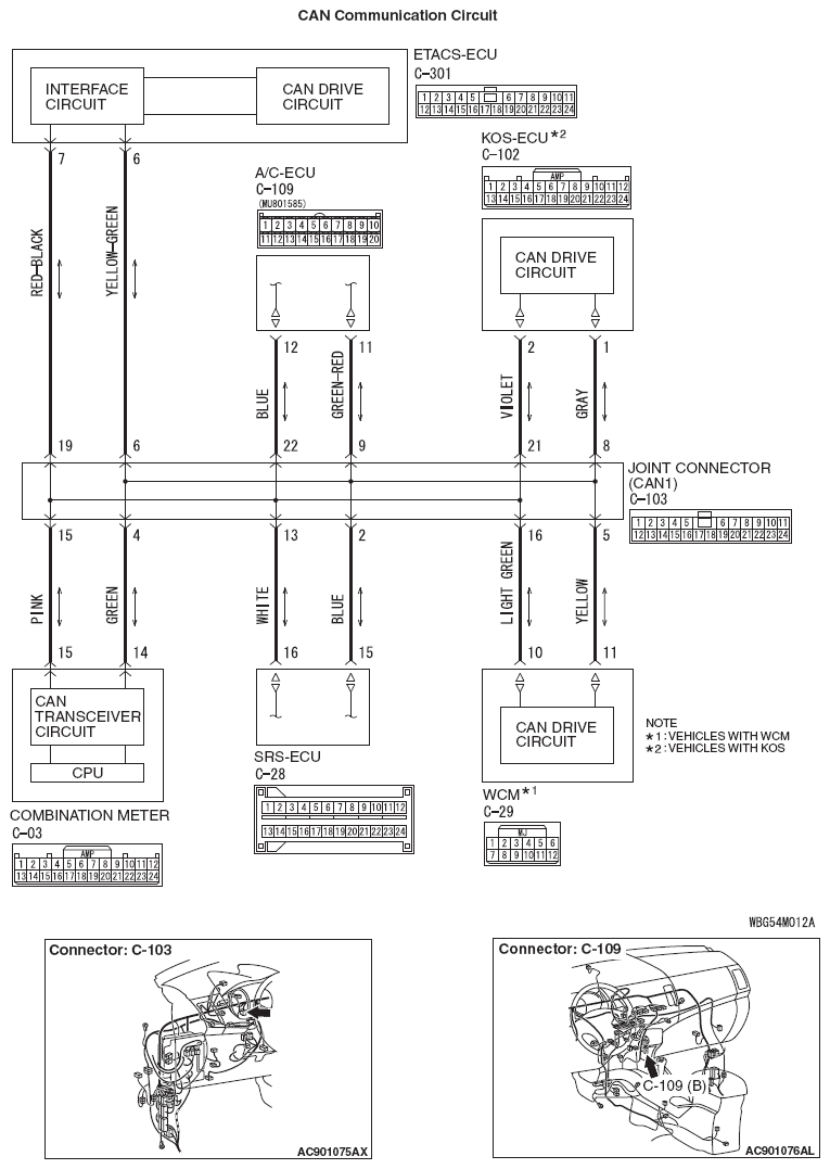
Fig 1: CAN Communication Circuit Diagram
G07037563Courtesy of MITSUBISHI MOTOR SALES OF AMERICA.