LEMON Manuals: Even more car manuals for everyone: 1960-2025
Home >> Mitsubishi >> 2013 >> Outlander ES >> Repair and Diagnosis (Single Page) >> Quick Lookups >> Wiring Diagrams >> Connector End Views - 2.4L >> Connector End Views >> A/T Control Relay Connector End View
April 5, 2026: LEMON Manuals is launched! Read the announcement.

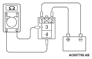
A/T Control Relay Connector End View

Fig 1: A/T Control Relay Connector End View
G07037170Courtesy of MITSUBISHI MOTOR SALES OF AMERICA.