LEMON Manuals: Even more car manuals for everyone: 1960-2025
Home >> Mitsubishi >> 2014 >> Lancer ES, Automatic CVT Trans >> Repair and Diagnosis >> External Pages >> Different variant/trim >> Section 12 (Electronic Control AWD - With Diagnostics - Lancer RALLIART, Se) >> Diagnosis >> Diagnostic Trouble Code Procedures >> DTC C1460: Drive mode selector circuit failure >> Notes
April 5, 2026: LEMON Manuals is launched! Read the announcement.

DTC C1460: Drive mode selector circuit failure: Notes

WARNING: This page is about a different variant/trim than selected.
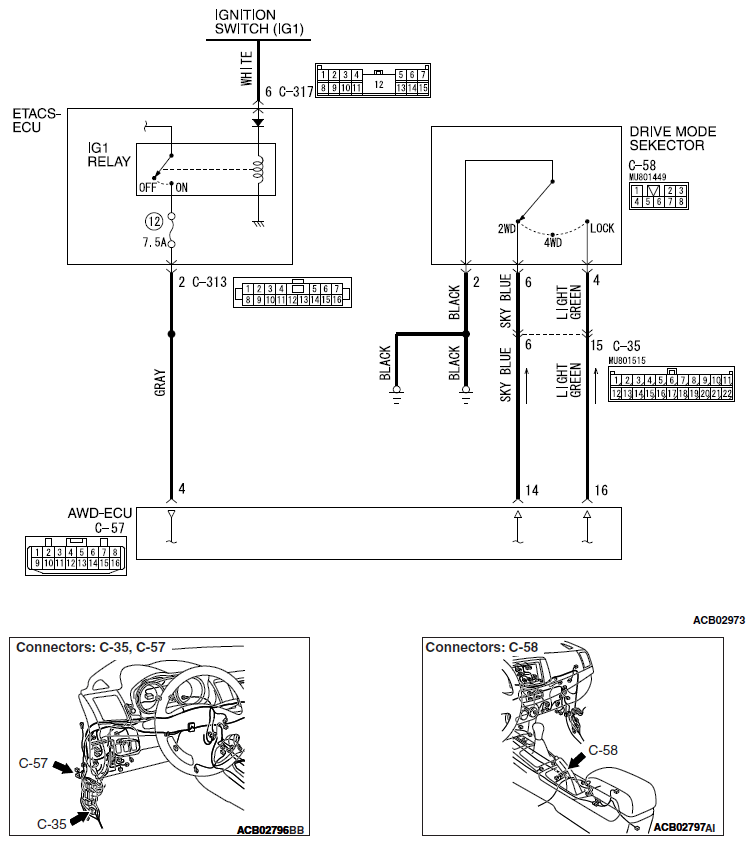
Fig 1: Drive Mode Selector Circuit Failure - Circuit Diagram (DTC C1460)
G09626782
CAUTION: If there is any problem in the CAN bus lines, an incorrect DTC may be set. Prior to this diagnosis, always diagnose the CAN bus lines.