LEMON Manuals: Even more car manuals for everyone: 1960-2025
Home >> Mitsubishi >> 2014 >> Lancer ES, Standard Trans >> Repair and Diagnosis (Single Page) >> Accessories & Equipment >> Communication Devices >> Controller Area Network (Can) - Lancer >> Diagnosis >> Can Bus Diagnostics >> DIAGNOSTIC ITEM 14: Diagnose when the scan tool cannot receive the data sent by ECM >> Notes
April 5, 2026: LEMON Manuals is launched! Read the announcement.

DIAGNOSTIC ITEM 14: Diagnose when the scan tool cannot receive the data sent by ECM: Notes

CAUTION: When servicing a CAN bus line, ground yourself by touching a metal object such as an unpainted water pipe. If you fail to do so, a component connected to the CAN bus line may be damaged.
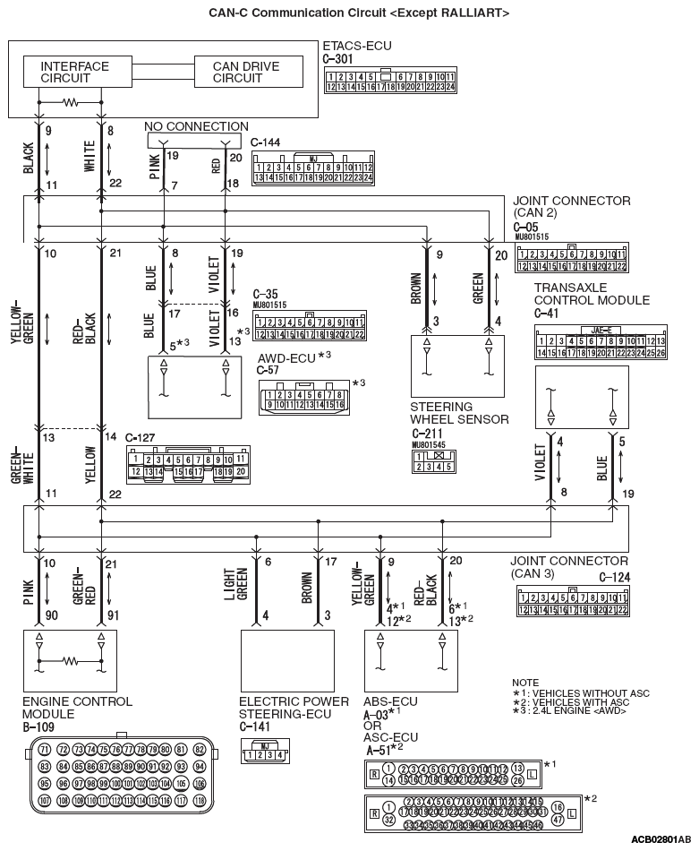
Fig 1: CAN-C Communication Circuit Diagram - Except Ralliart
G09630927Courtesy of MITSUBISHI MOTOR SALES OF AMERICA.
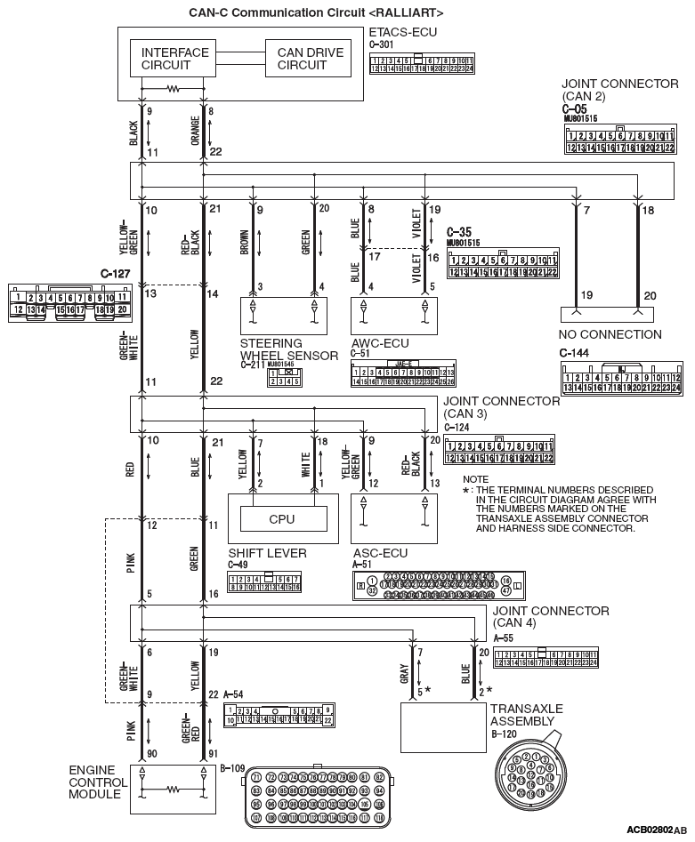
Fig 2: CAN-C Communication Circuit Diagram - Ralliart
G09630928Courtesy of MITSUBISHI MOTOR SALES OF AMERICA.
Fig 3: Locating Joint Connector And ECM Connector
G09630929Courtesy of MITSUBISHI MOTOR SALES OF AMERICA.