LEMON Manuals: Even more car manuals for everyone: 1960-2025
Home >> Mitsubishi >> 2014 >> Lancer ES, Standard Trans >> Repair and Diagnosis (Single Page) >> Restraints >> Passive Restraints >> Supplemental Restraint System (SRS) - With Diagnostics - Lancer >> SRS Air Bag Diagnosis >> Diagnostic Trouble Code Procedures < Occupant Classification-Ecu > >> DTC B1B8D: Driver Seat Slide Sensor Open Circuit >> Notes
April 5, 2026: LEMON Manuals is launched! Read the announcement.

DTC B1B8D: Driver Seat Slide Sensor Open Circuit: Notes

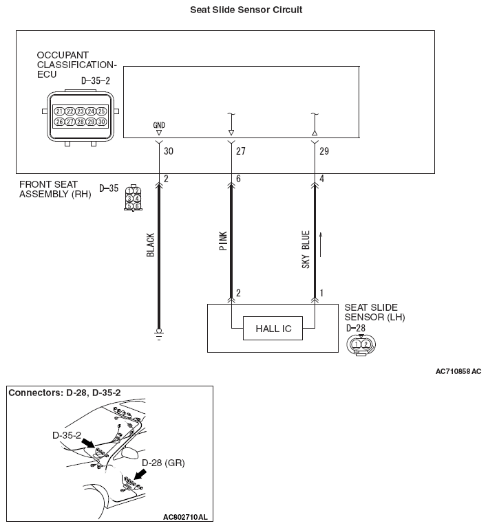
Fig 1: Seat Slide Sensor Circuit Diagram
G09629632Courtesy of MITSUBISHI MOTOR SALES OF AMERICA.
CAUTION: If DTC B1B8D is stored in the occupant classification-ECU, always diagnose the CAN main bus lines.