LEMON Manuals: Even more car manuals for everyone: 1960-2025
Home >> Mitsubishi >> 2014 >> Lancer Evolution GSR >> Repair and Diagnosis (Single Page) >> External Pages >> Different variant/trim >> Section 25 (Wireless Control Module (WCM) - With Diagnostics - Lancer) >> Diagnosis >> Diagnostic Trouble Code Procedures >> DTC B2101: IG SW start POS. circuit low; DTC B2102: IG SW start POS. circuit high >> Notes
April 5, 2026: LEMON Manuals is launched! Read the announcement.

DTC B2101: IG SW start POS. circuit low; DTC B2102: IG SW start POS. circuit high: Notes

WARNING: This page is about a different variant/trim than selected.
CAUTION:
  • If DTC B2101 or B2102 is set, be sure to diagnose the CAN bus line.
  • Before replacing the ECU, ensure that the communication circuit is normal.
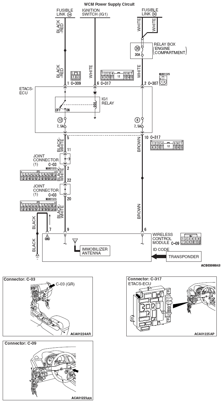
Fig 1: WCM Power Supply - Circuit Diagram
G09627943Courtesy of MITSUBISHI MOTOR SALES OF AMERICA.