LEMON Manuals: Even more car manuals for everyone: 1960-2025
Home >> Mitsubishi >> 2014 >> Lancer Evolution MR >> Repair and Diagnosis >> Quick Lookups >> Wiring Diagrams >> Connector End Views - Evolution >> Connector End Views >> Wheel Speed Sensor Connector End View
April 5, 2026: LEMON Manuals is launched! Read the announcement.

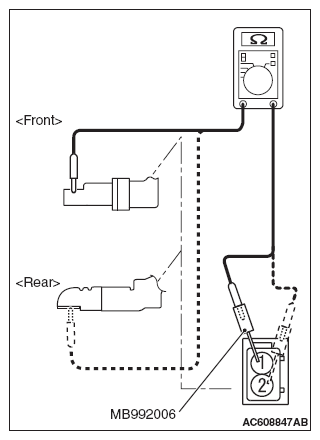
Wheel Speed Sensor Connector End View

Fig 1: Wheel Speed Sensor Connector End View
G09650922Courtesy of MITSUBISHI MOTOR SALES OF AMERICA.