LEMON Manuals: Even more car manuals for everyone: 1960-2025
Home >> Mitsubishi >> 2014 >> Outlander ES >> Repair and Diagnosis >> Engine Performance >> Ignition System >> General Information >> System Diagram
April 5, 2026: LEMON Manuals is launched! Read the announcement.

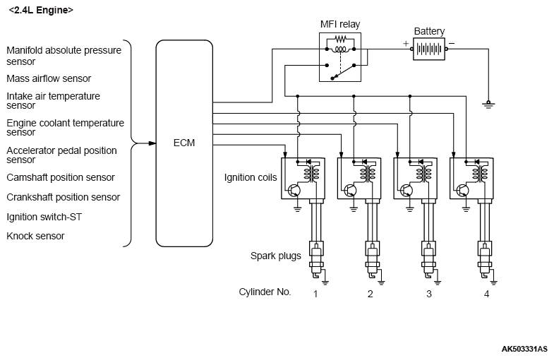
System Diagram

Fig 1: Ignition System Diagram (2.4L Engine)
G09664777Courtesy of MITSUBISHI MOTOR SALES OF AMERICA.
Fig 2: Ignition System Diagram (3.0L Engine)
G09664778Courtesy of MITSUBISHI MOTOR SALES OF AMERICA.