LEMON Manuals: Even more car manuals for everyone: 1960-2025
Home >> Mitsubishi >> 2014 >> RVR ES >> Repair and Diagnosis (Single Page) >> Accessories & Equipment >> Communication Devices >> Wireless Control Module (WCM) - With Diagnostics >> Diagnosis >> Diagnostic Trouble Code Table >> DTC B2101: IG SW start POS.circuit low; DTC B2102: IG SW start POS.circuit high >> Notes
April 5, 2026: LEMON Manuals is launched! Read the announcement.

DTC B2101: IG SW start POS.circuit low; DTC B2102: IG SW start POS.circuit high: Notes

CAUTION:
  • If DTC B2101 or B2102 is set, be sure to diagnose the CAN bus line.
  • Before replacing the ECU, ensure that the communication circuit is normal.
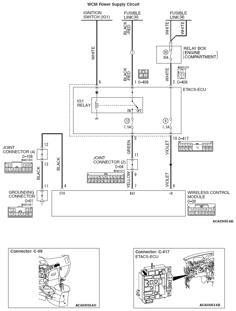
Fig 1: WCM Power Supply - Circuit Diagram
G09671029Courtesy of MITSUBISHI MOTOR SALES OF AMERICA.