LEMON Manuals: Even more car manuals for everyone: 1960-2025
Home >> Mitsubishi >> 2015 >> Lancer Evolution Final Edition >> Repair and Diagnosis >> Electrical >> Charging Systems >> Charging System - Lancer Evolution >> General Information >> Operation
April 5, 2026: LEMON Manuals is launched! Read the announcement.

General Information: Operation

Fig 1: Charging System Voltage Graph
G09640974Courtesy of MITSUBISHI MOTOR SALES OF AMERICA.

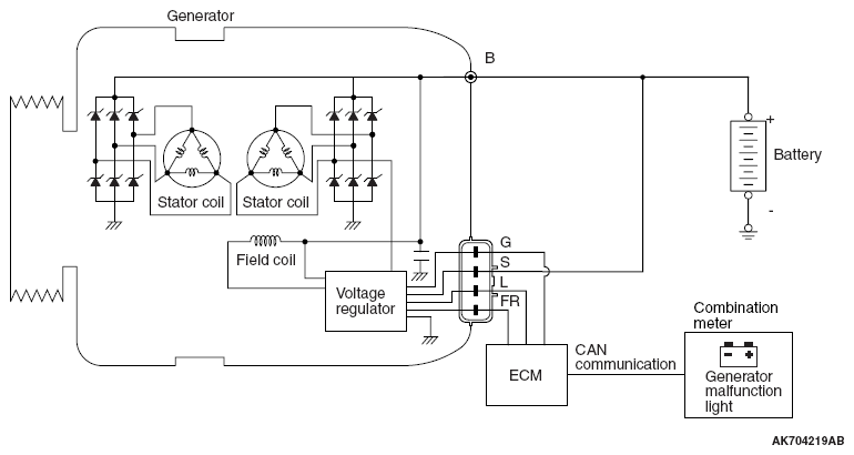
Rotation of the excited field coil generates AC voltage in the stator.

This alternating current is rectified through diodes to DC voltage having a waveform shown in the illustration above.

The average output voltage fluctuates slightly with the generator load condition.

When the ignition switch is turned on, current flows in the field coil and initial excitation of the field coil occurs.

When the stator coil begins to generate power after the engine is started, the field coil is excited by the output current of the stator coil.

The generator output voltage rises as the field current increases and it falls as the field current decreases. When the battery positive voltage (generator S terminal voltage) reaches a regulated voltage of approximately 14.4 V, the field current is cut off. When the battery positive voltage drops below the regulated voltage, the voltage regulator regulates the output voltage to a constant level by controlling the field current.

In addition, when the field current is constant, the generator output voltage rises as the engine speed increases.

Fig 2: Charging System Circuit Diagram
G09640975Courtesy of MITSUBISHI MOTOR SALES OF AMERICA.