LEMON Manuals: Even more car manuals for everyone: 1960-2025
Home >> Mitsubishi >> 2015 >> Lancer Evolution Final Edition >> Repair and Diagnosis >> External Pages >> Different variant/trim >> Section 24 (Active Stability Control System (ASC) - With Diagnostics - Lancer) >> Diagnosis >> Diagnostic Trouble Code Procedures >> DTC C1608: Implausible diagnosis data >> Notes
April 5, 2026: LEMON Manuals is launched! Read the announcement.

DTC C1608: Implausible diagnosis data: Notes

WARNING: This page is about a different variant/trim than selected.
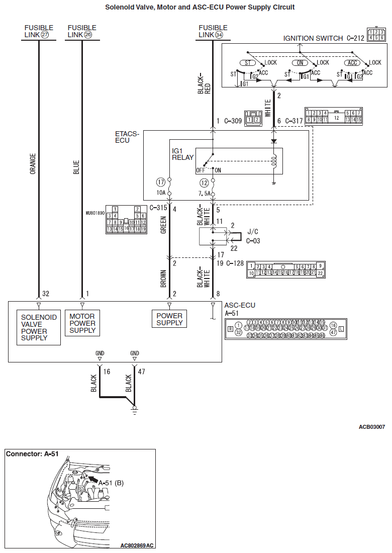
Fig 1: Solenoid Valve, Motor And ASC-ECU Power Supply - Circuit Diagram
G09627227Courtesy of MITSUBISHI MOTOR SALES OF AMERICA.
CAUTION: