LEMON Manuals: Even more car manuals for everyone: 1960-2025
Home >> Mitsubishi >> 2015 >> Lancer Evolution Final Edition >> Repair and Diagnosis >> External Pages >> Different variant/trim >> Section 24 (Active Stability Control System (ASC) - With Diagnostics - Lancer) >> Diagnosis >> Symptom Procedures >> Inspection Procedure 12: ASC-ECU power supply circuit system >> Notes
April 5, 2026: LEMON Manuals is launched! Read the announcement.

Inspection Procedure 12: ASC-ECU power supply circuit system: Notes

WARNING: This page is about a different variant/trim than selected.
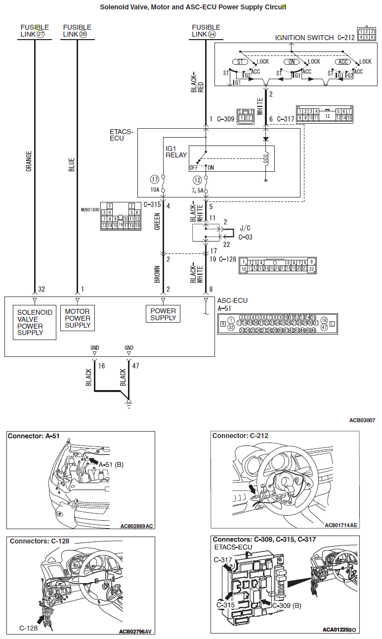
Fig 1: Solenoid Valve, Motor And ASC-ECU Power Supply - Circuit Diagram
G09627235Courtesy of MITSUBISHI MOTOR SALES OF AMERICA.
CAUTION:
  • When the ASC-ECU power supply voltage becomes 9. 7 ± 0. 3 V or less, the ABS warning light, ASC warning display, and ASC OFF display illuminate, and the ABS, stability control, and TCL controls are prohibited.
  • If the battery terminal is not tightened properly, a dump surge may occur and the power supply voltage may become abnormally high for a short time.
  • If there is any problem in the CAN bus lines, an incorrect DTC may be stored. Prior to this diagnosis, diagnose the CAN bus lines (Refer to CAN BUS LINE DIAGNOSTIC FLOW ).
  • Whenever ECU is replaced, ensure that the CAN bus lines are normal.
  • When the hydraulic unit (integrated with ASC-ECU) is replaced, always carry out the calibration of the steering wheel sensor, the G and yaw rate sensor and brake fluid pressure sensor (Refer to G AND YAW RATE SENSOR CALIBRATION , STEERING WHEEL SENSOR CALIBRATION  and BRAKE FLUID PRESSURE SENSOR CALIBRATION  ).