LEMON Manuals: Even more car manuals for everyone: 1960-2025
Home >> Mitsubishi >> 2015 >> Lancer Evolution Final Edition >> Repair and Diagnosis >> External Pages >> Different variant/trim >> Section 3 (Active Stability Control System (ASC) - With Diagnostics - Lancer Evolution) >> Diagnosis >> Symptom Procedures >> Inspection Procedure 13: Steering wheel sensor power supply circuit system >> Notes
April 5, 2026: LEMON Manuals is launched! Read the announcement.

Inspection Procedure 13: Steering wheel sensor power supply circuit system: Notes

WARNING: This page is about a different variant/trim than selected.
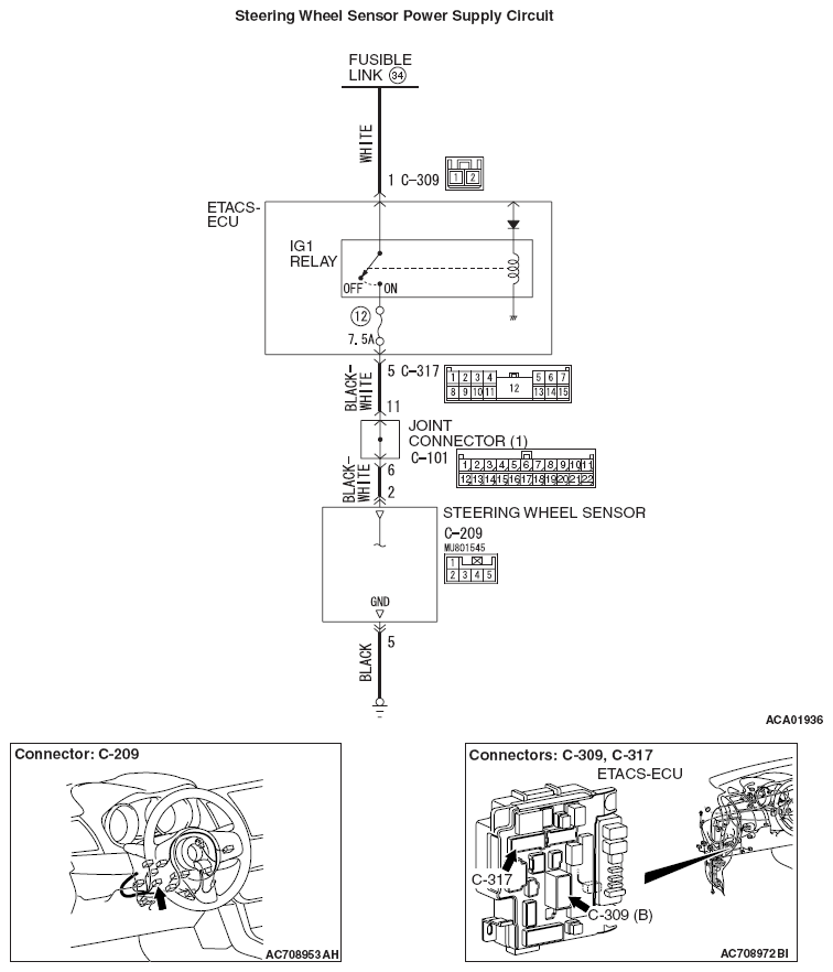
Fig 1: Steering Wheel Sensor Power Supply Circuit Diagram
G09650899Courtesy of MITSUBISHI MOTOR SALES OF AMERICA.
CAUTION:
  • If there is any problem in the CAN bus lines, an incorrect diagnostic trouble code may be set. Prior to this diagnosis, diagnose the CAN bus lines (Refer to CAN BUS LINE DIAGNOSTIC FLOW ).
  • Whenever ECU is replaced, ensure that the CAN bus lines are normal.
  • When the steering wheel sensor is replaced, always carry out calibration to make ASC-ECU learn the neutral point (Refer to STEERING WHEEL SENSOR CALIBRATION  ).