LEMON Manuals: Even more car manuals for everyone: 1960-2025
Home >> Mitsubishi >> 2015 >> Lancer Evolution Final Edition >> Repair and Diagnosis >> External Pages >> Different variant/trim >> Section 5 (Intake & Exhaust System - Lancer Evolution) >> Air Cleaner >> Removal And Installation >> Notes
April 5, 2026: LEMON Manuals is launched! Read the announcement.

Removal And Installation: Notes

WARNING: This page is about a different variant/trim than selected.
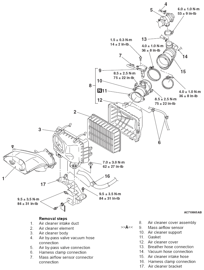
Fig 1: Removing/Installing Air Cleaner Mounting Bolts With Torque Specification
G09640949Courtesy of MITSUBISHI MOTOR SALES OF AMERICA.