LEMON Manuals: Even more car manuals for everyone: 1960-2025
Home >> Mitsubishi >> 2015 >> Lancer Evolution Final Edition >> Repair and Diagnosis >> Quick Lookups >> Wiring Diagrams >> Circuit Diagrams W/ Connector End Views - Lancer Evolution >> Air Conditioning System
April 5, 2026: LEMON Manuals is launched! Read the announcement.

Air Conditioning System

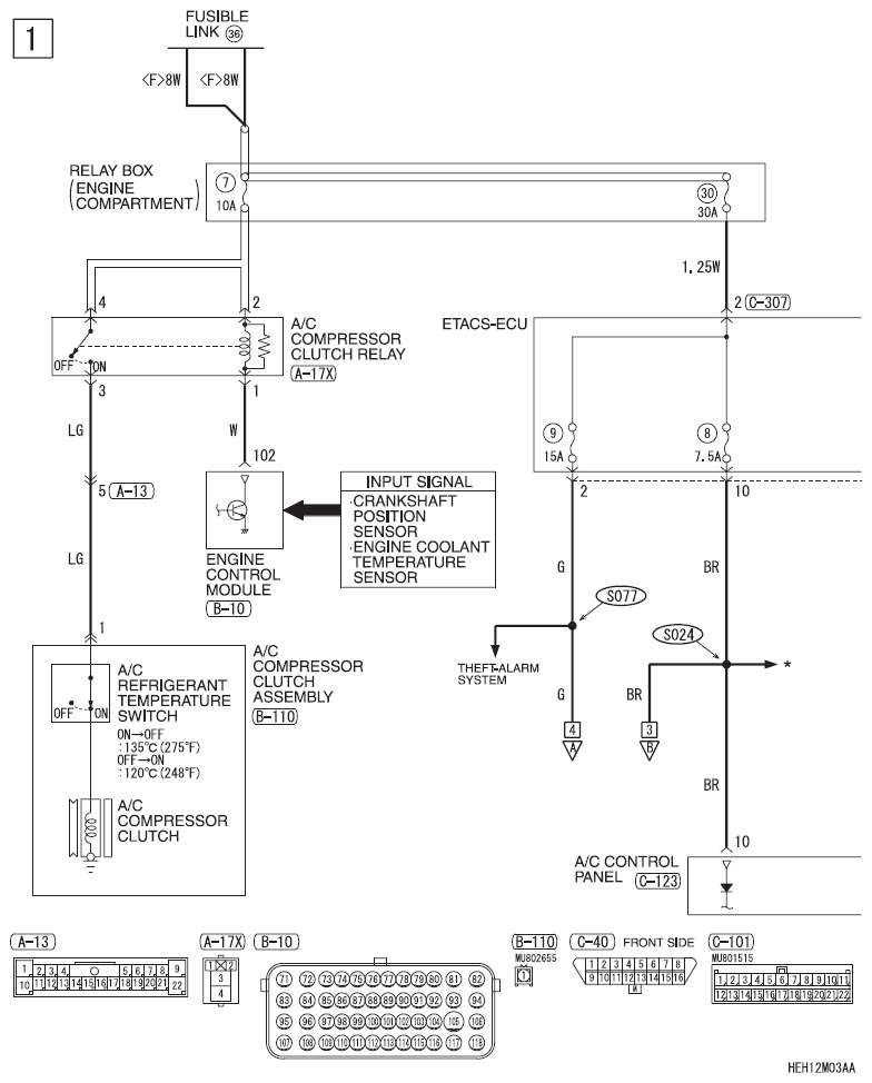
Fig 1: Air Conditioning System - Circuit Diagram (1 Of 11)
G09620874Courtesy of MITSUBISHI MOTOR SALES OF AMERICA.
Fig 2: Air Conditioning System - Circuit Diagram (2 Of 11)
G09620875Courtesy of MITSUBISHI MOTOR SALES OF AMERICA.
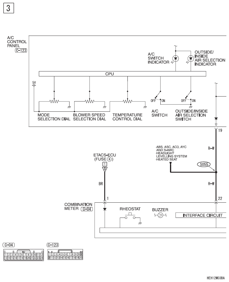
Fig 3: Air Conditioning System - Circuit Diagram (3 Of 11)
G09620876Courtesy of MITSUBISHI MOTOR SALES OF AMERICA.
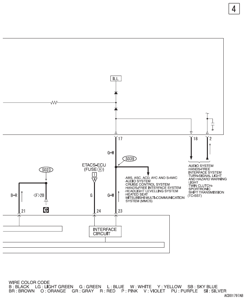
Fig 4: Air Conditioning System - Circuit Diagram (4 Of 11)
G09620877Courtesy of MITSUBISHI MOTOR SALES OF AMERICA.
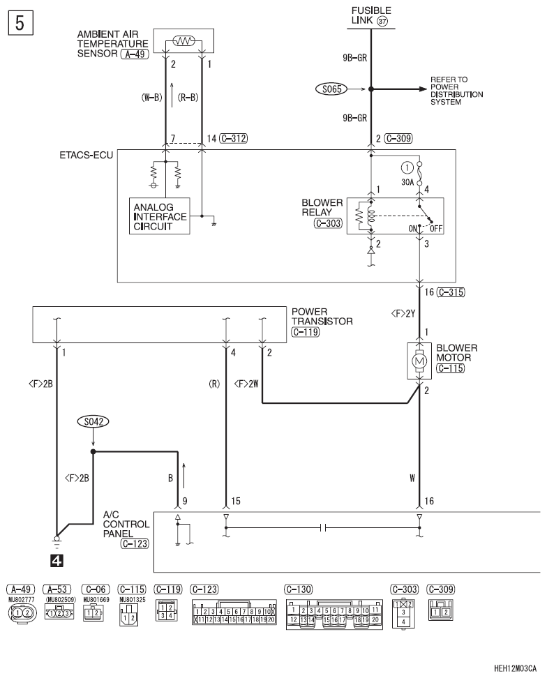
Fig 5: Air Conditioning System - Circuit Diagram (5 Of 11)
G09620878Courtesy of MITSUBISHI MOTOR SALES OF AMERICA.
Fig 6: Air Conditioning System - Circuit Diagram (6 Of 11)
G09620879Courtesy of MITSUBISHI MOTOR SALES OF AMERICA.
Fig 7: Air Conditioning System - Circuit Diagram (7 Of 11)
G09620880Courtesy of MITSUBISHI MOTOR SALES OF AMERICA.
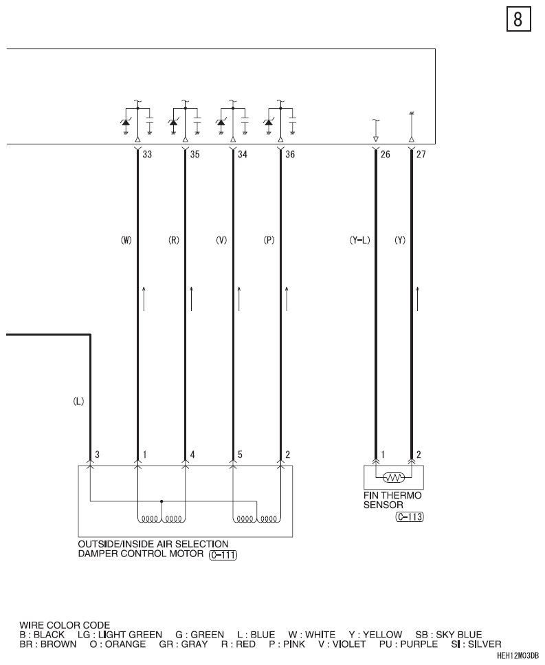
Fig 8: Air Conditioning System - Circuit Diagram (8 Of 11)
G09620881Courtesy of MITSUBISHI MOTOR SALES OF AMERICA.
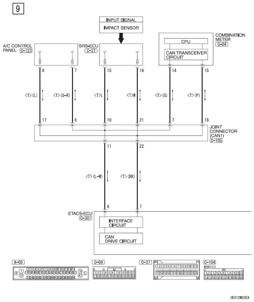
Fig 9: Air Conditioning System - Circuit Diagram (9 Of 11)
G09620882Courtesy of MITSUBISHI MOTOR SALES OF AMERICA.
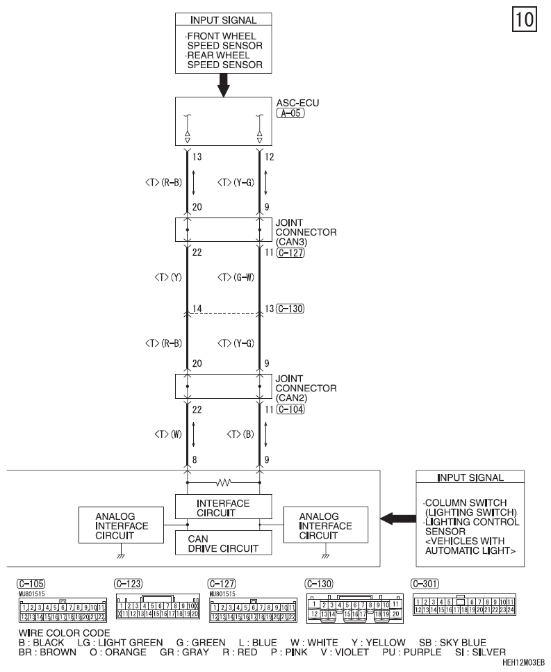
Fig 10: Air Conditioning System - Circuit Diagram (10 Of 11)
G09620883Courtesy of MITSUBISHI MOTOR SALES OF AMERICA.
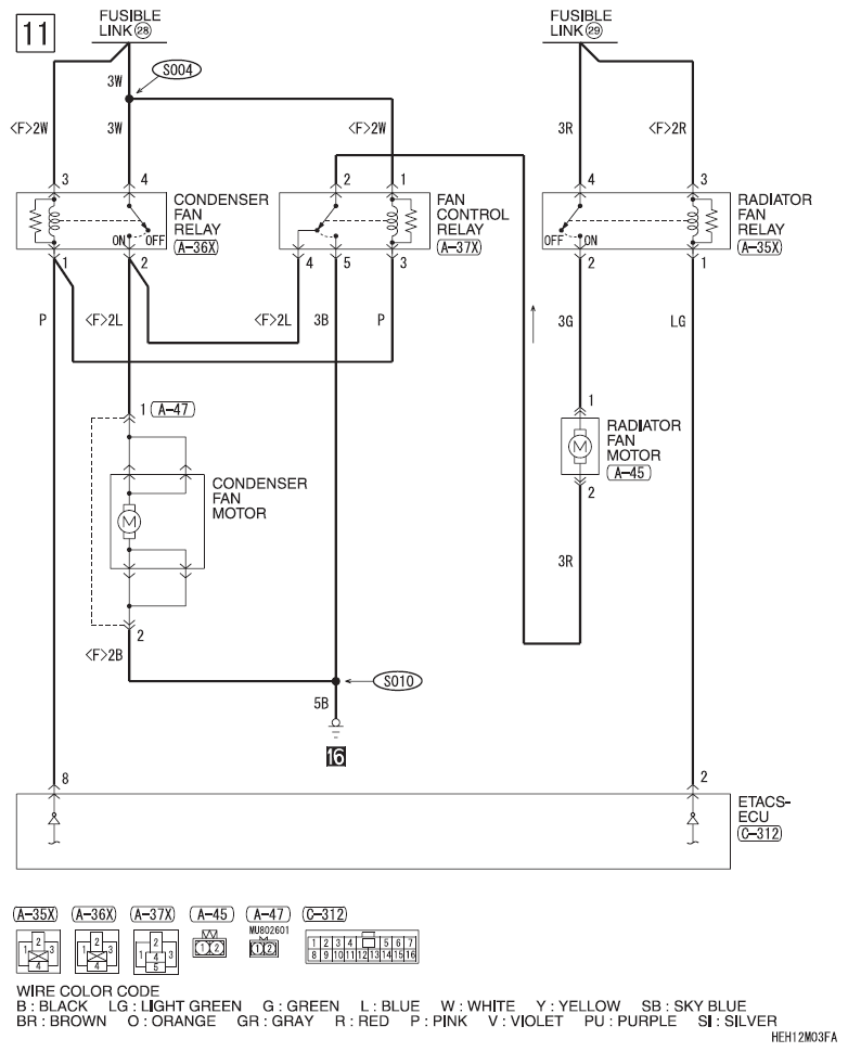
Fig 11: Air Conditioning System - Circuit Diagram (11 Of 11)
G09620884Courtesy of MITSUBISHI MOTOR SALES OF AMERICA.