LEMON Manuals: Even more car manuals for everyone: 1960-2025
Home >> Mitsubishi >> 2015 >> Lancer Evolution Final Edition >> Repair and Diagnosis >> Quick Lookups >> Wiring Diagrams >> Circuit Diagrams W/ Connector End Views - Lancer Evolution >> Charging System < M/T >
April 5, 2026: LEMON Manuals is launched! Read the announcement.

Charging System < M/T >

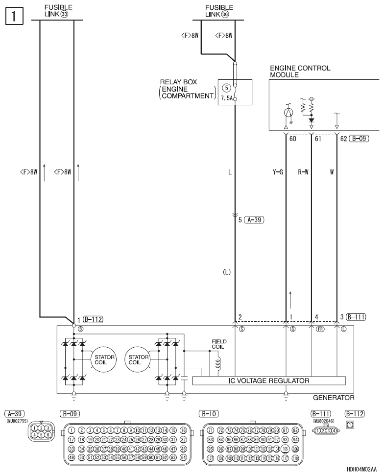
Fig 1: Charging System (M/T) - Circuit Diagram (1 Of 3)
G09620737Courtesy of MITSUBISHI MOTOR SALES OF AMERICA.
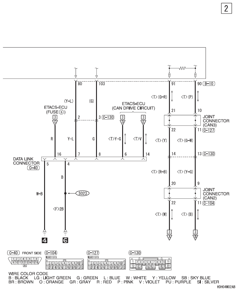
Fig 2: Charging System (M/T) - Circuit Diagram (2 Of 3)
G09620738Courtesy of MITSUBISHI MOTOR SALES OF AMERICA.
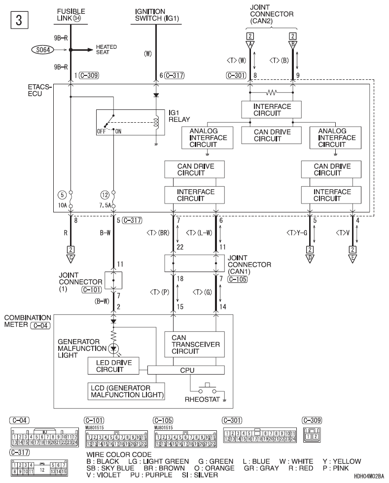
Fig 3: Charging System (M/T) - Circuit Diagram (3 Of 3)
G09620739Courtesy of MITSUBISHI MOTOR SALES OF AMERICA.