LEMON Manuals: Even more car manuals for everyone: 1960-2025
Home >> Mitsubishi >> 2015 >> Lancer Evolution Final Edition >> Repair and Diagnosis >> Quick Lookups >> Wiring Diagrams >> Circuit Diagrams W/ Connector End Views - Lancer Evolution >> Cooling System
April 5, 2026: LEMON Manuals is launched! Read the announcement.

Cooling System

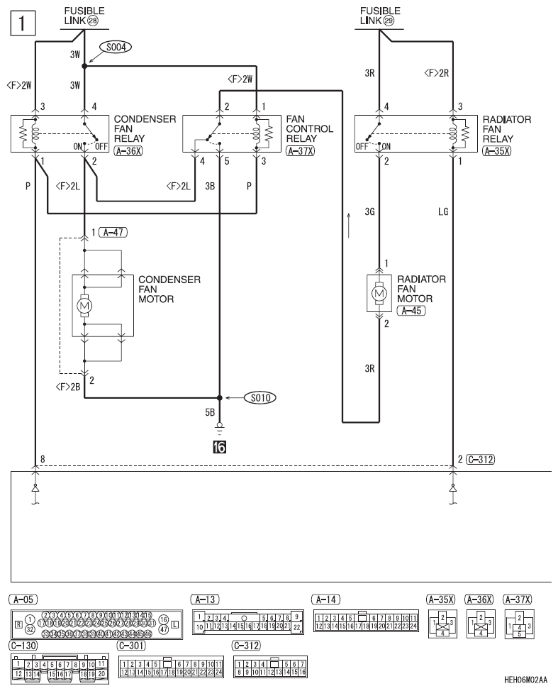
Fig 1: Cooling System - Circuit Diagram (1 Of 4)
G09620766Courtesy of MITSUBISHI MOTOR SALES OF AMERICA.
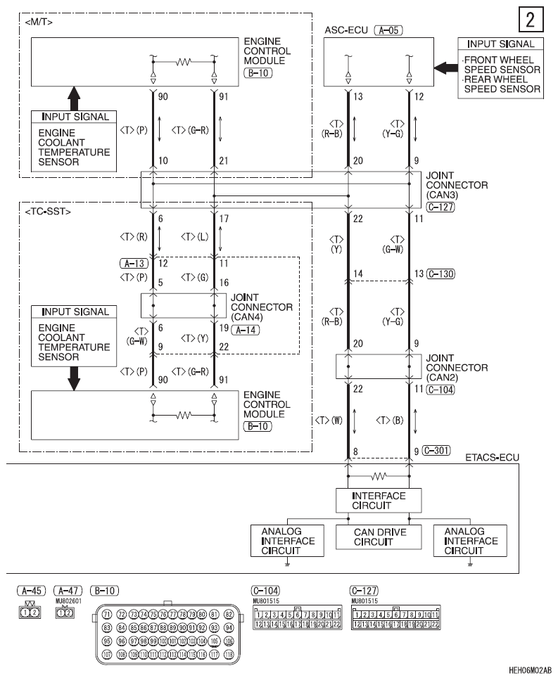
Fig 2: Cooling System - Circuit Diagram (2 Of 4)
G09620767Courtesy of MITSUBISHI MOTOR SALES OF AMERICA.
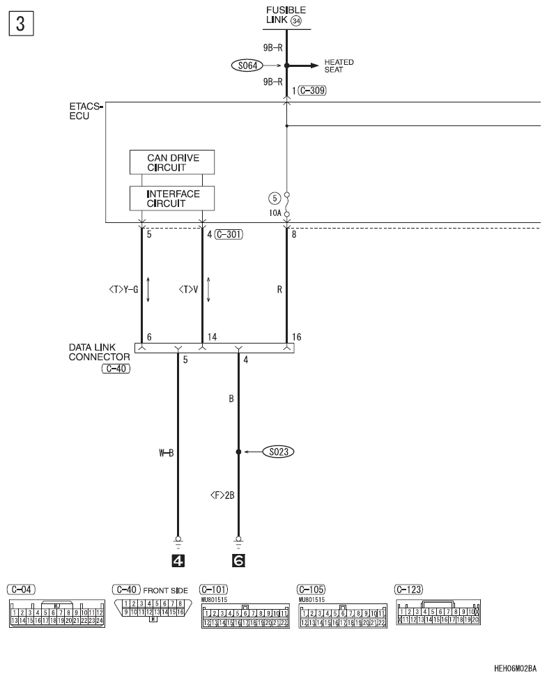
Fig 3: Cooling System - Circuit Diagram (3 Of 4)
G09620768Courtesy of MITSUBISHI MOTOR SALES OF AMERICA.
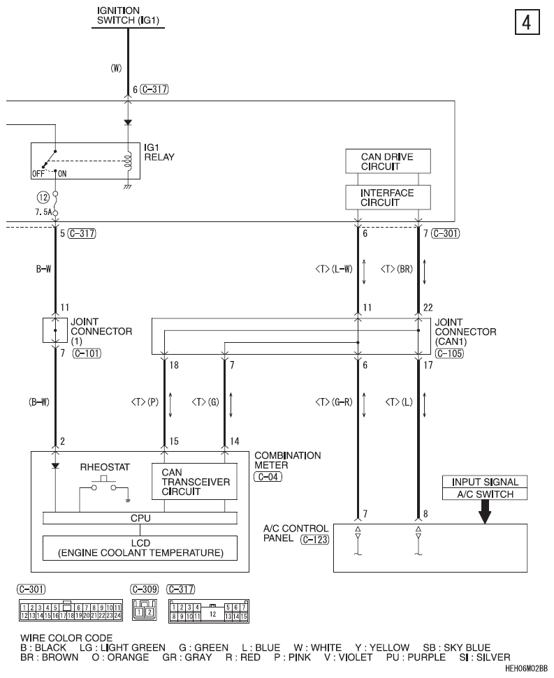
Fig 4: Cooling System - Circuit Diagram (4 Of 4)
G09620769Courtesy of MITSUBISHI MOTOR SALES OF AMERICA.