LEMON Manuals: Even more car manuals for everyone: 1960-2025
Home >> Mitsubishi >> 2015 >> Lancer Evolution Final Edition >> Repair and Diagnosis >> Quick Lookups >> Wiring Diagrams >> Circuit Diagrams W/ Connector End Views - Lancer Evolution >> Ignition System
April 5, 2026: LEMON Manuals is launched! Read the announcement.

Ignition System

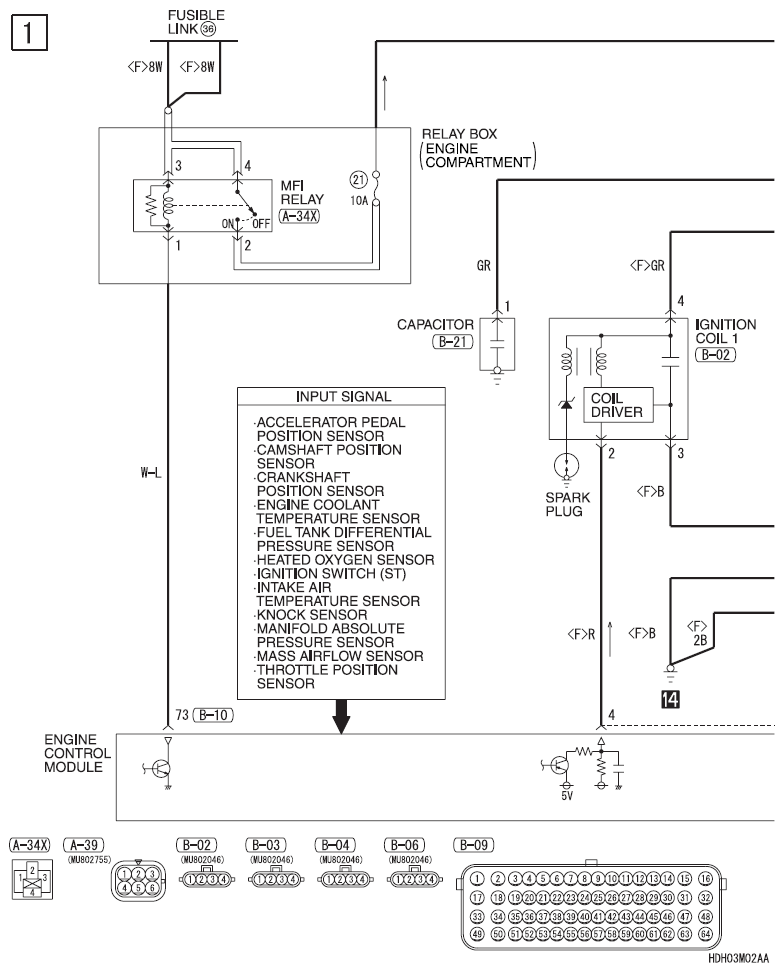
Fig 1: Ignition System - Circuit Diagram (1 Of 4)
G09620733Courtesy of MITSUBISHI MOTOR SALES OF AMERICA.
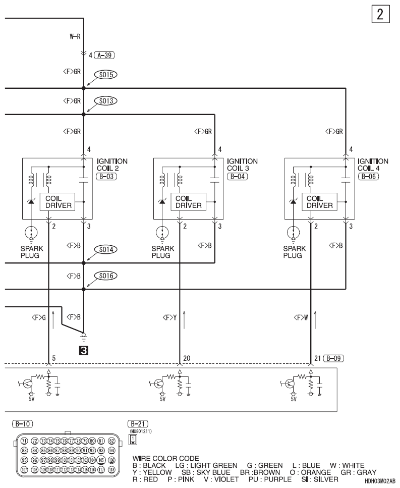
Fig 2: Ignition System - Circuit Diagram (2 Of 4)
G09620734Courtesy of MITSUBISHI MOTOR SALES OF AMERICA.
Fig 3: Ignition System - Circuit Diagram (3 Of 4)
G09620735Courtesy of MITSUBISHI MOTOR SALES OF AMERICA.
Fig 4: Ignition System - Circuit Diagram (4 Of 4)
G09620736Courtesy of MITSUBISHI MOTOR SALES OF AMERICA.