LEMON Manuals: Even more car manuals for everyone: 1960-2025
Home >> Mitsubishi >> 2015 >> Lancer Evolution Final Edition >> Repair and Diagnosis >> Quick Lookups >> Wiring Diagrams >> Circuit Diagrams W/ Connector End Views - Lancer Evolution >> Remote Controlled Mirror
April 5, 2026: LEMON Manuals is launched! Read the announcement.

Remote Controlled Mirror

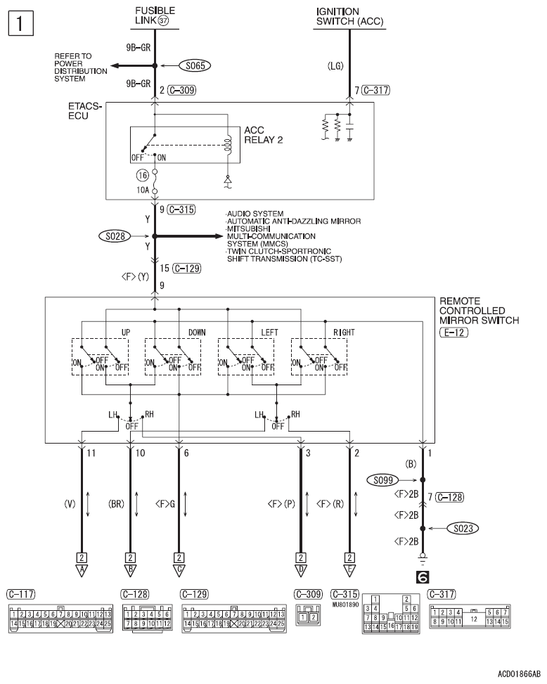
Fig 1: Remote Controlled Mirror - Circuit Diagram (1 Of 2)
G09620889Courtesy of MITSUBISHI MOTOR SALES OF AMERICA.
Fig 2: Remote Controlled Mirror - Circuit Diagram (2 Of 2)
G09620890Courtesy of MITSUBISHI MOTOR SALES OF AMERICA.