LEMON Manuals: Even more car manuals for everyone: 1960-2025
Home >> Mitsubishi >> 2015 >> Lancer Evolution Final Edition >> Repair and Diagnosis >> Quick Lookups >> Wiring Diagrams >> Circuit Diagrams W/ Connector End Views - Lancer Evolution >> Starting System < TC-SST >
April 5, 2026: LEMON Manuals is launched! Read the announcement.

Starting System < TC-SST >

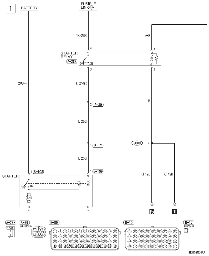
Fig 1: Starting System (TC-SST) - Circuit Diagram (1 Of 2)
G09620731Courtesy of MITSUBISHI MOTOR SALES OF AMERICA.
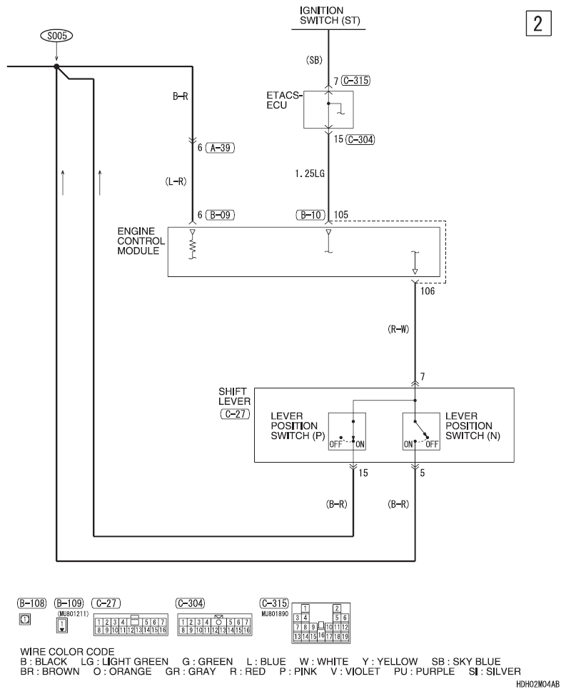
Fig 2: Starting System (TC-SST) - Circuit Diagram (2 Of 2)
G09620732Courtesy of MITSUBISHI MOTOR SALES OF AMERICA.