LEMON Manuals: Even more car manuals for everyone: 1960-2025
Home >> Mitsubishi >> 2015 >> Outlander ES >> Repair and Diagnosis >> Engine Performance >> Ignition System >> General Information >> System Diagram
April 5, 2026: LEMON Manuals is launched! Read the announcement.

System Diagram

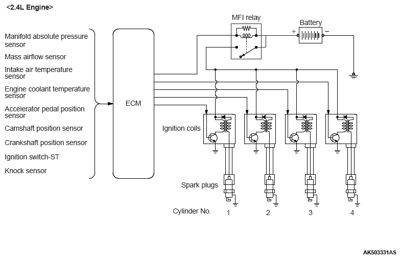
Fig 1: Engine Electrical Ignition System Circuit Diagram
G10224380Courtesy of MITSUBISHI MOTOR SALES OF AMERICA.
Fig 2: Engine Electrical Ignition System Circuit Diagram
G10224381Courtesy of MITSUBISHI MOTOR SALES OF AMERICA.