LEMON Manuals: Even more car manuals for everyone: 1960-2025
Home >> Mitsubishi >> 2017 >> Lancer SE >> Repair and Diagnosis (Single Page) >> Accessories & Equipment >> Communication Devices >> Controller Area Network (Can) >> Diagnosis >> Can Bus Diagnostics >> DIAGNOSTIC ITEM 17: Diagnose when the scan tool cannot receive the data sent by A/C control panel <vehicles with A/C> or heater control panel <vehicles without A/C> >> Notes
April 5, 2026: LEMON Manuals is launched! Read the announcement.

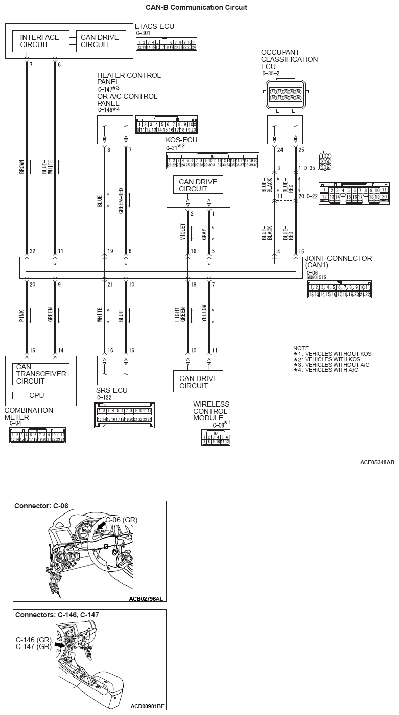
DIAGNOSTIC ITEM 17: Diagnose when the scan tool cannot receive the data sent by A/C control panel <vehicles with A/C> or heater control panel <vehicles without A/C>: Notes

CAUTION: When servicing a CAN bus line, ground yourself by touching a metal object such as an unpainted water pipe. If you fail to do so, a component connected to the CAN bus line may be damaged.
Fig 1: CAN-B Communication Circuit
G11742691Courtesy of MITSUBISHI MOTOR SALES OF AMERICA.