LEMON Manuals: Even more car manuals for everyone: 1960-2025
Home >> Mitsubishi >> 2019 >> Eclipse Cross ES, AWD >> Repair and Diagnosis >> External Pages >> Different car >> Section 17 (Controller Area Network (Can) - Lancer Evolution) >> Diagnosis >> Can Bus Diagnostics >> DIAGNOSTIC ITEM 3: Abnormal short between the CAN-C bus lines >> Notes
April 5, 2026: LEMON Manuals is launched! Read the announcement.

DIAGNOSTIC ITEM 3: Abnormal short between the CAN-C bus lines: Notes

WARNING: This page is about a different car, the 2008 Mitsubishi Lancer. However, it is still accessible from the selected car via links, so may be relevant.
CAUTION: When servicing a CAN bus line, ground yourself by touching a metal object such as an unpainted water pipe. If you fail to do so, a component connected to the CAN bus line may be damaged.
Fig 1: CAN-C Communication Circuit Diagram (M/T)
G05395555Courtesy of MITSUBISHI MOTOR SALES OF AMERICA.
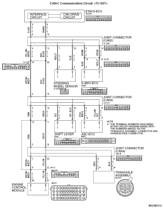
Fig 2: CAN-C Communication Circuit Diagram (TC-SST)
G05395556Courtesy of MITSUBISHI MOTOR SALES OF AMERICA.
Fig 3: Identifying CAN-C Communication Connector Location
G05395557Courtesy of MITSUBISHI MOTOR SALES OF AMERICA.