LEMON Manuals: Even more car manuals for everyone: 1960-2025
Home >> Mitsubishi >> 2019 >> Eclipse Cross LE >> Repair and Diagnosis >> Restraints >> Passive Restraints >> Interior >> Instrument Panel Assembly >> Disassembly And Assembly
April 5, 2026: LEMON Manuals is launched! Read the announcement.

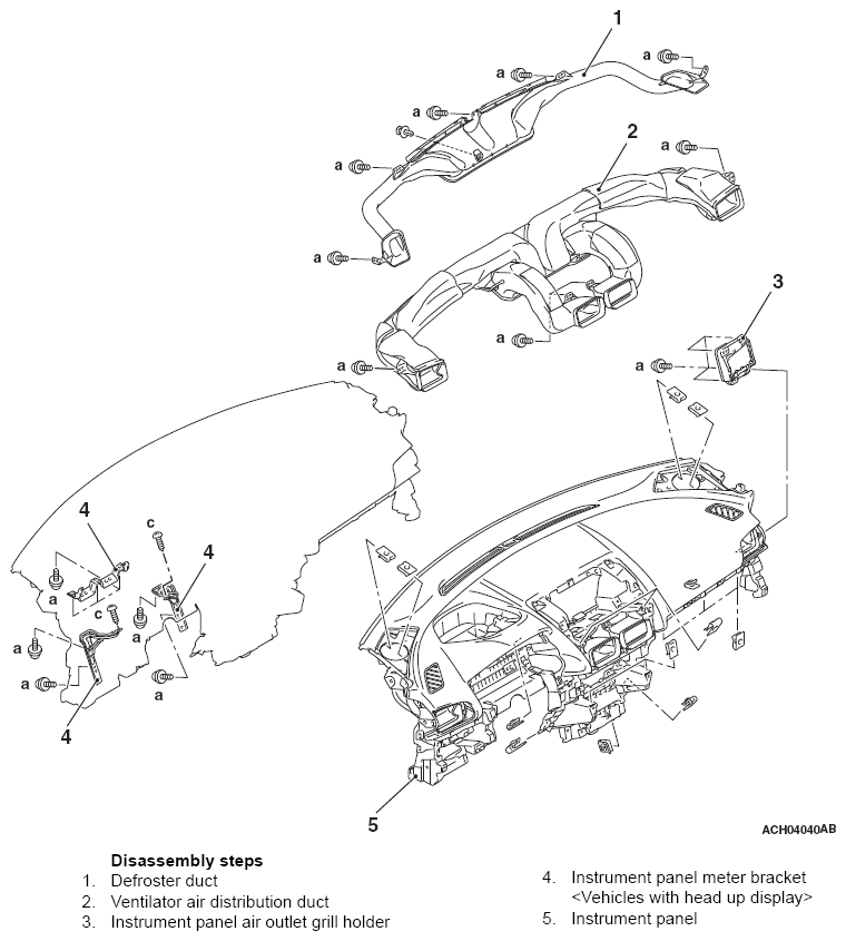
Disassembly And Assembly

CAUTION: Before disassembly and assembly the instrument panel, refer to SERVICE PRECAUTIONS and PASSENGER'S (FRONT -->) AIR BAG MODULE .

Pre-removal and Post-installation Operation 

G12649793Courtesy of MITSUBISHI MOTOR SALES OF AMERICA.