LEMON Manuals: Even more car manuals for everyone: 1960-2025
Home >> Mitsubishi >> 2019 >> Eclipse Cross SP >> Repair and Diagnosis >> Electrical >> Starter >> Starting System >> General Information >> System Diagram
April 5, 2026: LEMON Manuals is launched! Read the announcement.

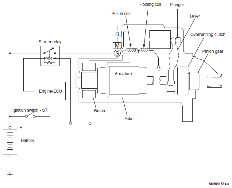
System Diagram

G12147081Courtesy of MITSUBISHI MOTOR SALES OF AMERICA.