LEMON Manuals: Even more car manuals for everyone: 1960-2025
Home >> Mitsubishi >> 2025 >> Eclipse Cross LE >> Repair and Diagnosis (Single Page) >> Quick Lookups >> Wiring Diagrams >> Power Windows (Vehicles With One-Touch Opening/Closing Mechanism For All Windows) - Circuit Diagrams >> Power Windows <Vehicles With One-Touch Opening/Closing Mechanism For All Windows>
April 5, 2026: LEMON Manuals is launched! Read the announcement.

Power Windows <Vehicles With One-Touch Opening/Closing Mechanism For All Windows>

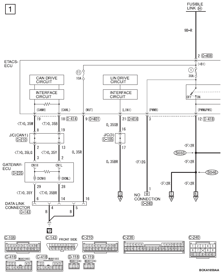
Fig 1: Power Windows Circuit Diagram - Vehicles With One-Touch Opening/Closing Mechanism For All Windows (1 Of 6)
G14351902Courtesy of MITSUBISHI MOTOR SALES OF AMERICA.
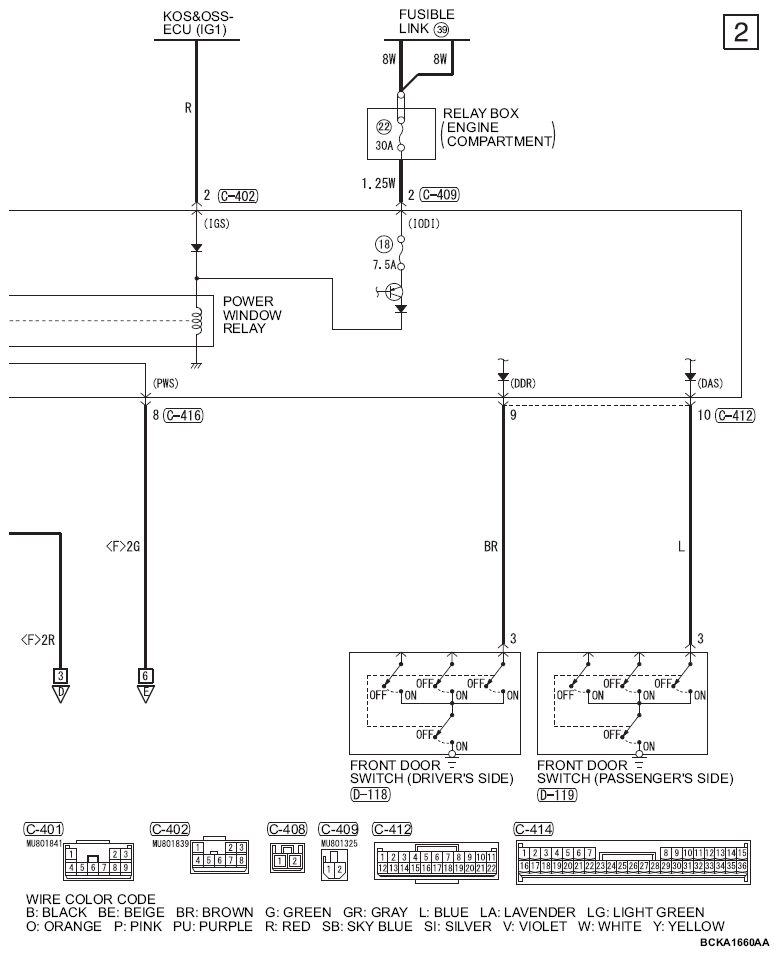
Fig 2: Power Windows Circuit Diagram - Vehicles With One-Touch Opening/Closing Mechanism For All Windows (2 Of 6)
G14351903Courtesy of MITSUBISHI MOTOR SALES OF AMERICA.
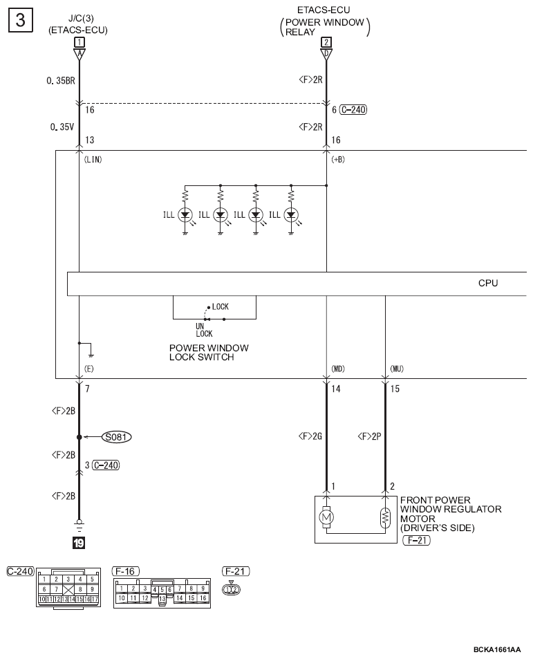
Fig 3: Power Windows Circuit Diagram - Vehicles With One-Touch Opening/Closing Mechanism For All Windows (3 Of 6)
G14351904Courtesy of MITSUBISHI MOTOR SALES OF AMERICA.
Fig 4: Power Windows Circuit Diagram - Vehicles With One-Touch Opening/Closing Mechanism For All Windows (4 Of 6)
G14351905Courtesy of MITSUBISHI MOTOR SALES OF AMERICA.
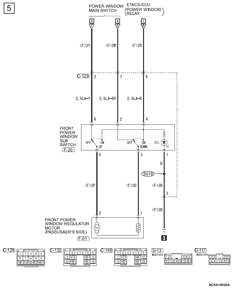
Fig 5: Power Windows Circuit Diagram - Vehicles With One-Touch Opening/Closing Mechanism For All Windows (5 Of 6)
G14351906Courtesy of MITSUBISHI MOTOR SALES OF AMERICA.
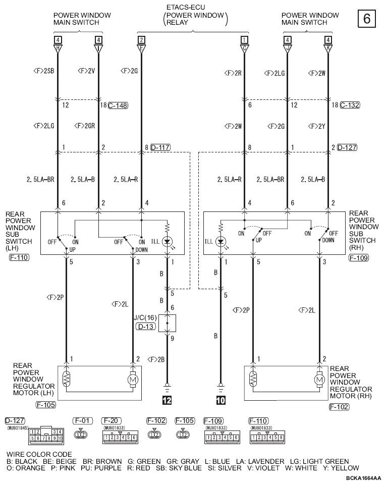
Fig 6: Power Windows Circuit Diagram - Vehicles With One-Touch Opening/Closing Mechanism For All Windows (6 Of 6)
G14351907Courtesy of MITSUBISHI MOTOR SALES OF AMERICA.