LEMON Manuals: Even more car manuals for everyone: 1960-2025
Home >> Nissan-Datsun >> 1992 >> Sentra SE-R >> Repair and Diagnosis >> Body & Frame >> Power Windows & Door Locks >> Component Tests >> Notes
April 5, 2026: LEMON Manuals is launched! Read the announcement.

Component Tests: Notes

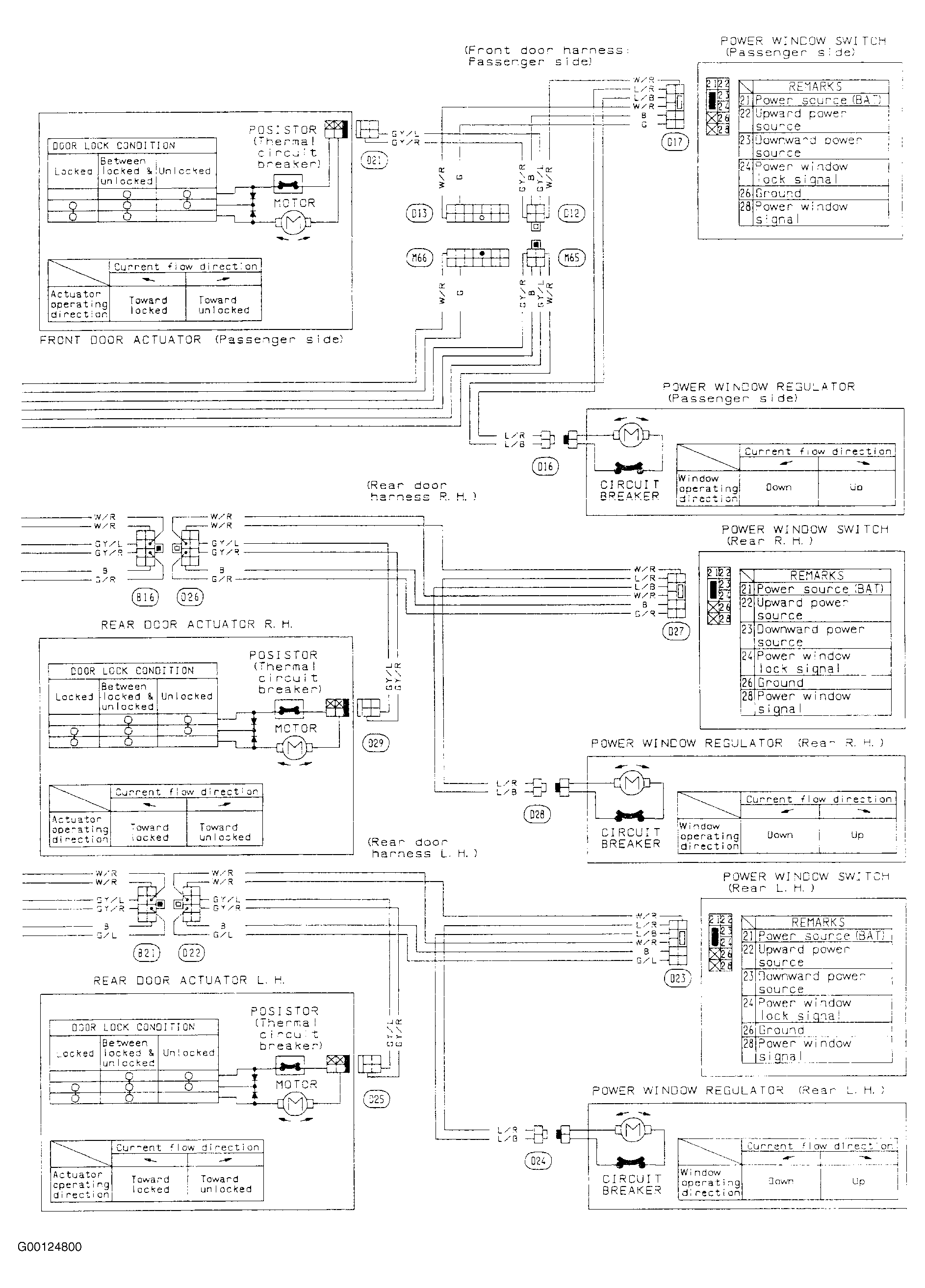
For additional component tests, see Figure -Figure .