LEMON Manuals: Even more car manuals for everyone: 1960-2025
Home >> Nissan-Datsun >> 2002 >> Sentra SE-R L4-2.5L (QR25DE) >> Repair and Diagnosis >> Diagrams >> Exploded Views >> Engine >> Engine Mount
April 5, 2026: LEMON Manuals is launched! Read the announcement.

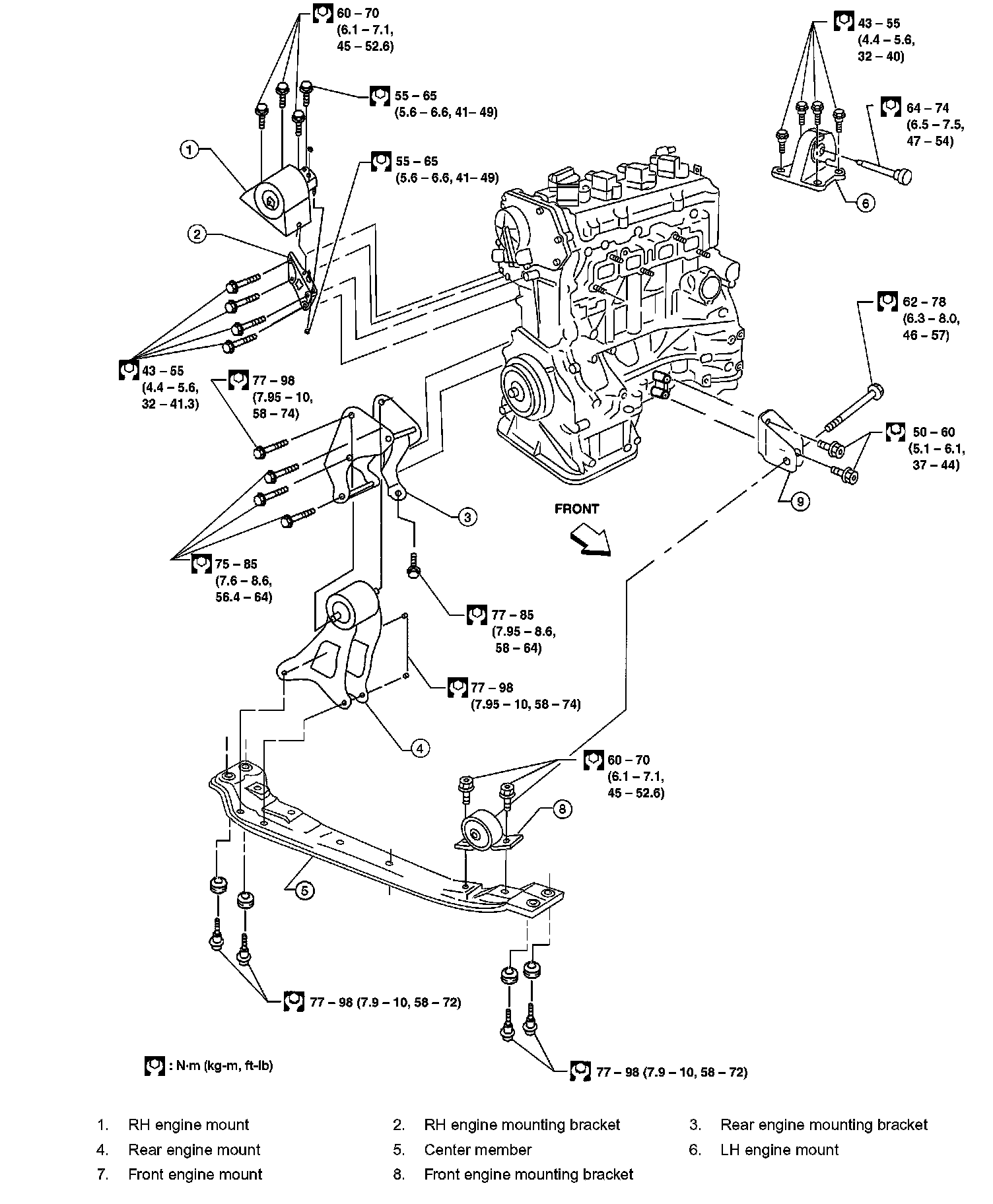
Engine Mount