LEMON Manuals: Even more car manuals for everyone: 1960-2025
Home >> Nissan-Datsun >> 2002 >> Sentra SE-R, Automatic >> Repair and Diagnosis (Single Page) >> Body & Frame >> Body, Cab Control Systems >> Body Control System >> Smart Entrance Control Unit >> Schematic
April 5, 2026: LEMON Manuals is launched! Read the announcement.

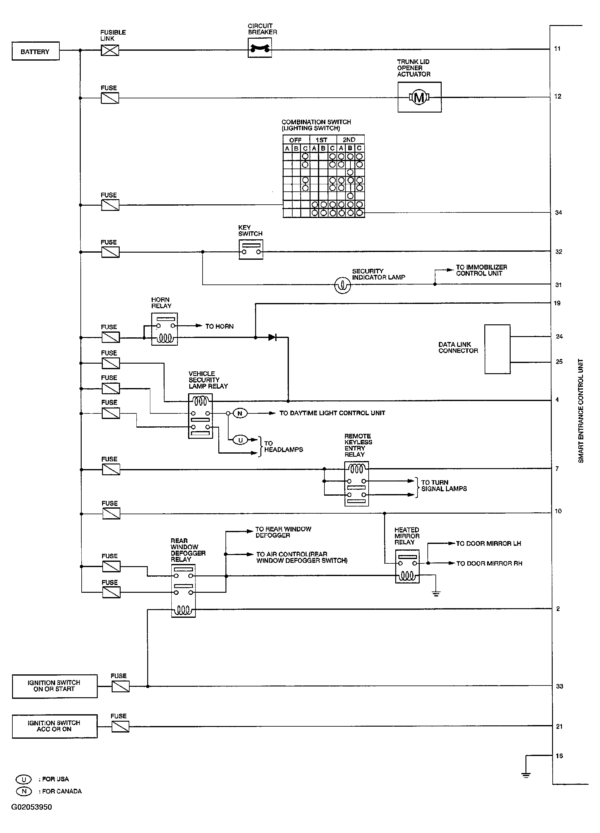
Smart Entrance Control Unit: Schematic

Fig 1: Smart Entrance Control Unit (1 of 2)
G02053950Courtesy of NISSAN MOTOR CO., U.S.A.
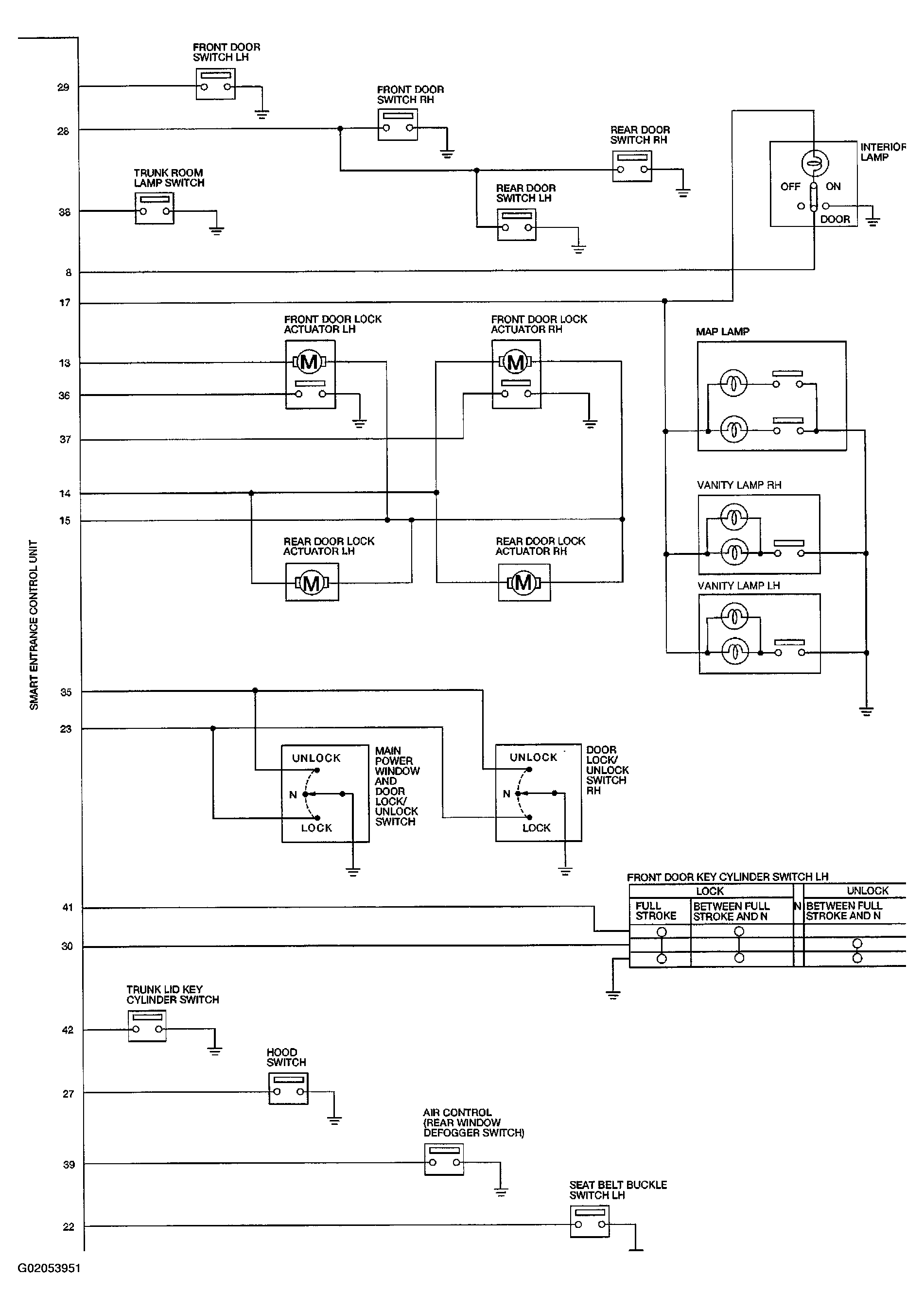
Fig 2: Smart Entrance Control Unit (2 of 2)
G02053951Courtesy of NISSAN MOTOR CO., U.S.A.