LEMON Manuals: Even more car manuals for everyone: 1960-2025
Home >> Nissan-Datsun >> 2002 >> Sentra SE-R, Automatic >> Repair and Diagnosis (Single Page) >> External Pages >> Different variant/trim >> Section 10 (Automatic Transaxle Re4F03B) >> Diagnostic Trouble Code Definitions >> DTC P1705: Throttle Position Sensor >> Wiring Diagram - AT - TPS
April 5, 2026: LEMON Manuals is launched! Read the announcement.

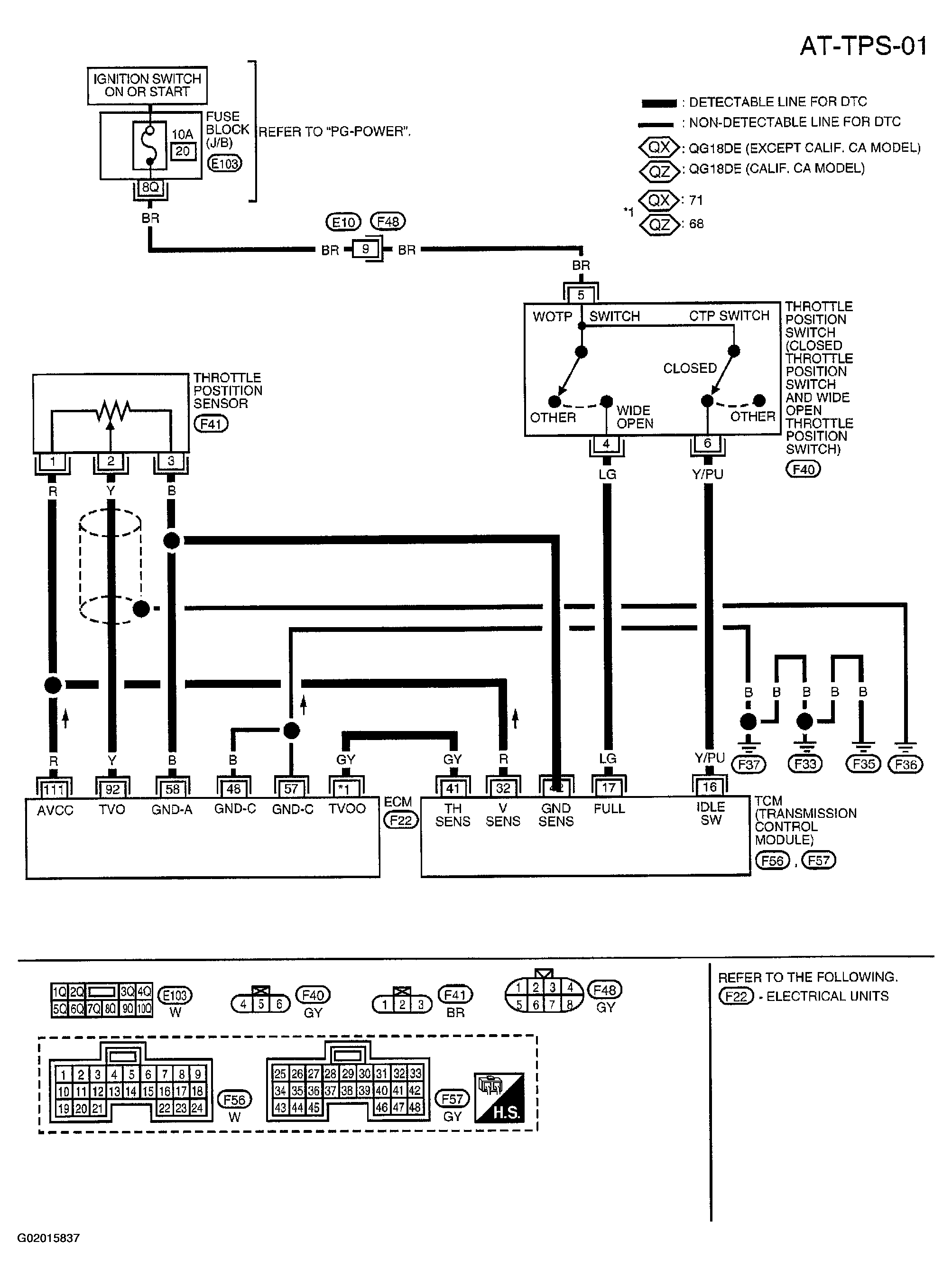
Wiring Diagram - AT - TPS

WARNING: This page is about a different variant/trim than selected.
Fig 1: Throttle Position Sensor Wiring Diagram & Identifying Connectors (Automatic Transaxle)
G02015837Courtesy of NISSAN MOTOR CO., U.S.A.
Fig 2: TCM Terminals Reference Value Chart
G02015838Courtesy of NISSAN MOTOR CO., U.S.A.