LEMON Manuals: Even more car manuals for everyone: 1960-2025
Home >> Nissan-Datsun >> 2002 >> Sentra SE-R, Automatic >> Repair and Diagnosis >> Accessories & Equipment >> Cruise Control Systems >> Automatic Speed Control Device (ASCD) >> Trouble Diagnoses >> ASCD Brake/Stop Lamp Switch Check
April 5, 2026: LEMON Manuals is launched! Read the announcement.

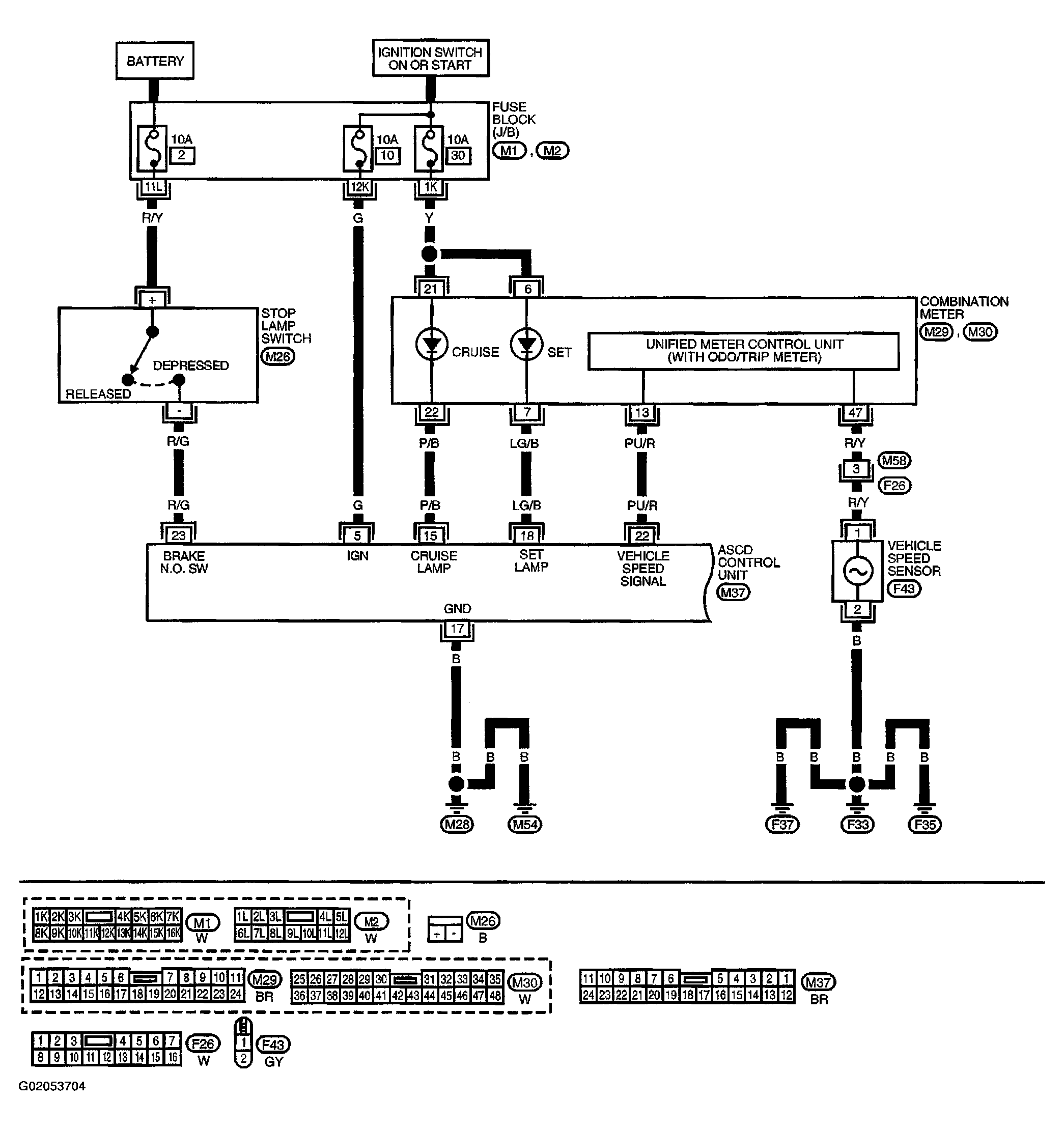
ASCD Brake/Stop Lamp Switch Check

  1. Check ASCD Brake Switch Circuit 
    1. Turn ignition switch OFF.
    2. Disconnect ASCD control unit harness connector.
    3. Check continuity between ASCD control unit harness connector terminal 8 and terminal 12.
      Fig 1: Checking Brake Switch Circuit
      G02053721Courtesy of NISSAN MOTOR CO., U.S.A.

    OK or NG

    1. OK: GO TO  2
    2. NG: Check the following.
  2. Check Stop Lamp Switch Circuit 
    1. Disconnect ASCD control unit harness connector.
    2. Check voltage between ASCD control unit harness connector terminal 23 and ground.
      Fig 2: Checking Stop Lamp Switch Circuit
      G02053722Courtesy of NISSAN MOTOR CO., U.S.A.

      Refer toFigure

    OK or NG

    1. OK: ASCD brake/stop lamp switch is OK.
    2. NG: Check the following.
      • 10A fuse [No. 2, located in the fuse block (J/B)]
      • Harness for open or short between ASCD control unit and stop lamp switch
      • Harness for open or short between fuse and stop lamp switch
      • Stop lamp switch

        Refer to ASCD BRAKE SWITCH AND STOP LAMP SWITCH