LEMON Manuals: Even more car manuals for everyone: 1960-2025
Home >> Nissan-Datsun >> 2002 >> Sentra SE-R, Automatic >> Repair and Diagnosis >> Accessories & Equipment >> Cruise Control Systems >> Automatic Speed Control Device (ASCD) >> Trouble Diagnoses >> ASCD Steering Switch Check
April 5, 2026: LEMON Manuals is launched! Read the announcement.

ASCD Steering Switch Check

  1. Check ASCD Steering Switch Circuit For ASCD Control Unit 

    Check resistance between ASCD control unit harness connector terminals.

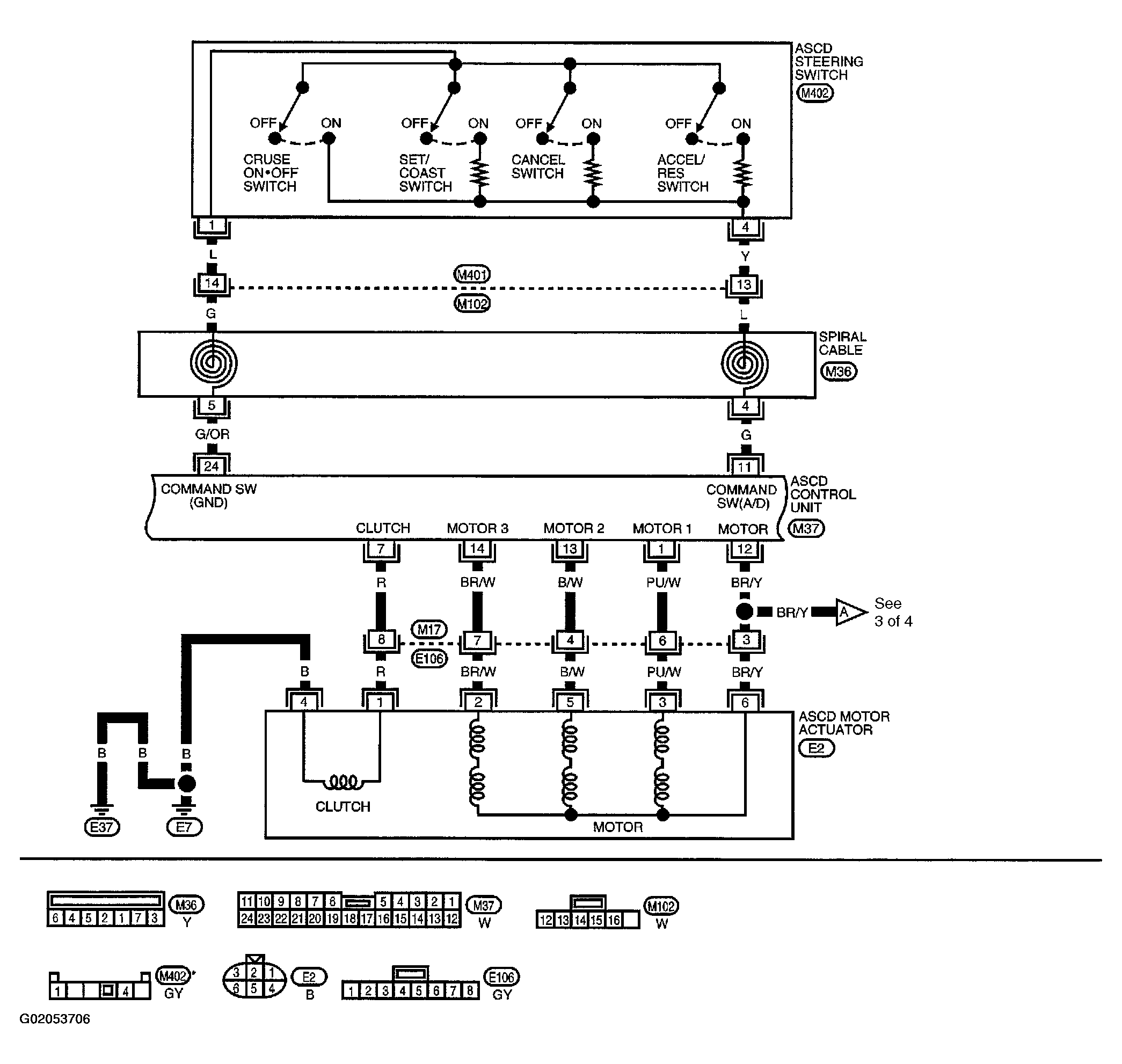
    Fig 1: Checking Steering Switch Circuit
    G02053723Courtesy of NISSAN MOTOR CO., U.S.A.

    Refer toFigure

    OK or NG

    1. OK: ASCD steering switch is OK.
    2. NG: GO TO 2.
  2. Check Circuit Continuity 
    1. Disconnect ASCD steering switch and ASCD control unit connector.
    2. Check continuity between ASCD steering switch connector terminals 1 (4) and ASCD control unit connector terminal 24 (11).
      Fig 2: Checking Circuit Continuity
      G02053724Courtesy of NISSAN MOTOR CO., U.S.A.

      Refer toFigure

    OK or NG

    1. OK: Replace ASCD steering switch.
    2. NG: Repair or replace harness or connectors.