LEMON Manuals: Even more car manuals for everyone: 1960-2025
Home >> Nissan-Datsun >> 2002 >> Sentra SE-R, Automatic >> Repair and Diagnosis >> External Pages >> Different car >> Section 1577 (Seats) >> Automatic Drive Positioner >> Schematic
April 5, 2026: LEMON Manuals is launched! Read the announcement.

Automatic Drive Positioner: Schematic

WARNING: This page is about a different car, the 2005 Nissan Titan. However, it is still accessible from the selected car via links, so may be relevant.
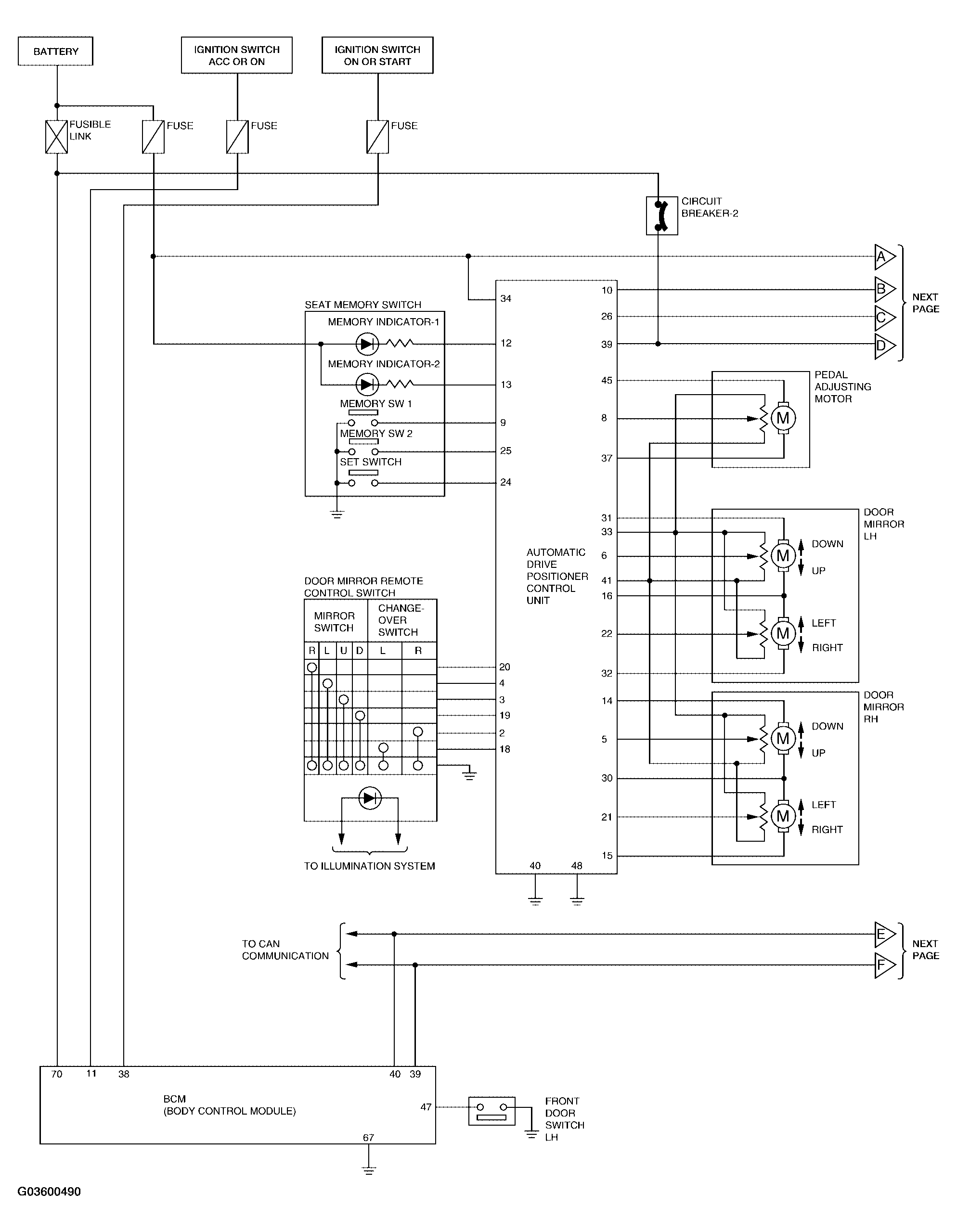
Fig 1: Schematic Diagram For Automatic Drive Positioner (1 Of 2)
G03600490Courtesy of NISSAN MOTOR CO., U.S.A.
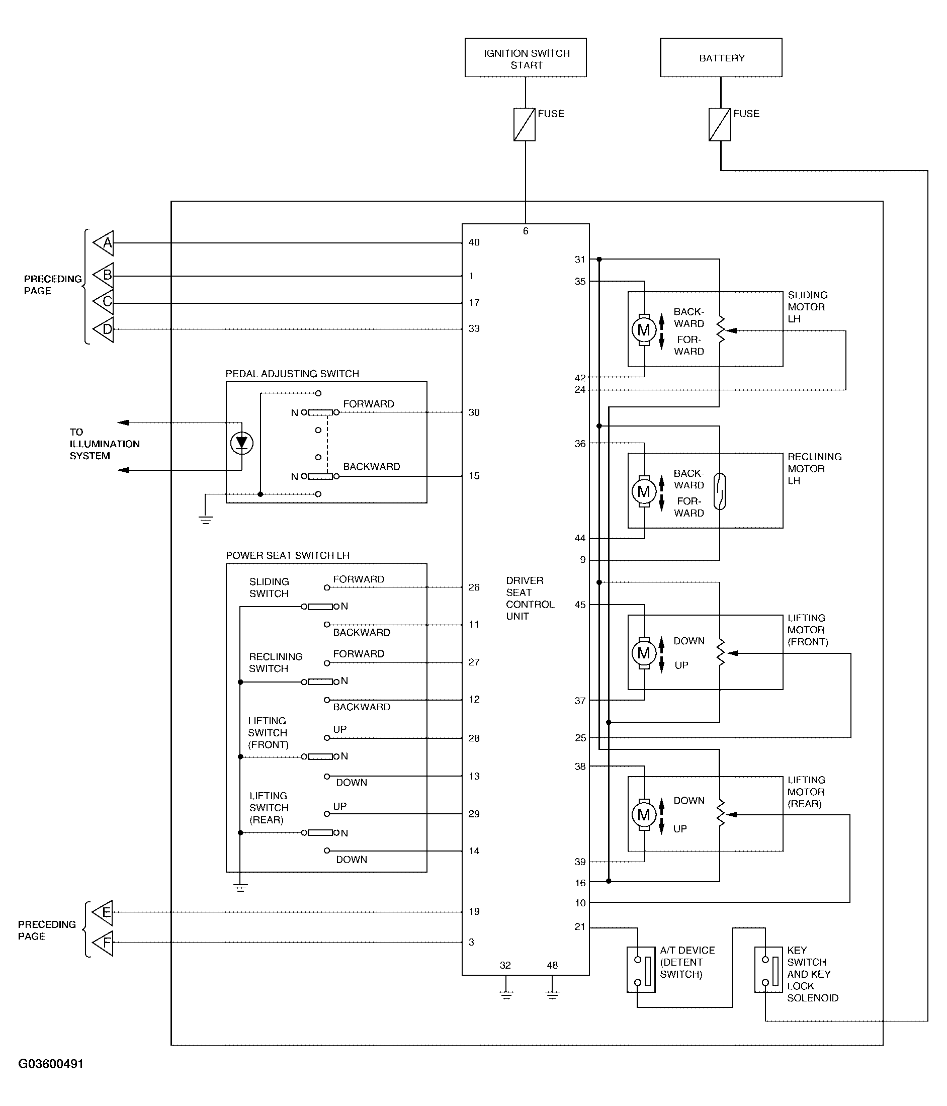
Fig 2: Schematic Diagram For Automatic Drive Positioner (2 Of 2)
G03600491Courtesy of NISSAN MOTOR CO., U.S.A.