LEMON Manuals: Even more car manuals for everyone: 1960-2025
Home >> Nissan-Datsun >> 2002 >> Sentra SE-R, Automatic >> Repair and Diagnosis >> External Pages >> Different car >> Section 2066 (Audio, Visual, Navigation & Telephone System) >> Integrated Display System >> Wiring Diagram - COMM - >> Notes
April 5, 2026: LEMON Manuals is launched! Read the announcement.

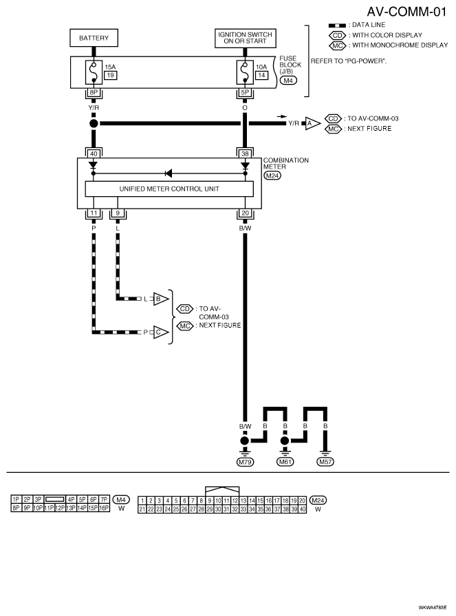
Wiring Diagram - COMM -: Notes

WARNING: This page is about a different car, the 2007 Nissan Quest. However, it is still accessible from the selected car via links, so may be relevant.

For PG, go to POWER SUPPLY, GROUND & CIRCUIT ELEMENTS .

Fig 1: AV-COMM-01 - Wiring Diagram
G04909144