LEMON Manuals: Even more car manuals for everyone: 1960-2025
Home >> Nissan-Datsun >> 2002 >> Sentra SE-R, Automatic >> Repair and Diagnosis >> External Pages >> Different car >> Section 2343 (Engine Control System (Qr) - Introduction) >> Engine Control System >> System Diagram
April 5, 2026: LEMON Manuals is launched! Read the announcement.

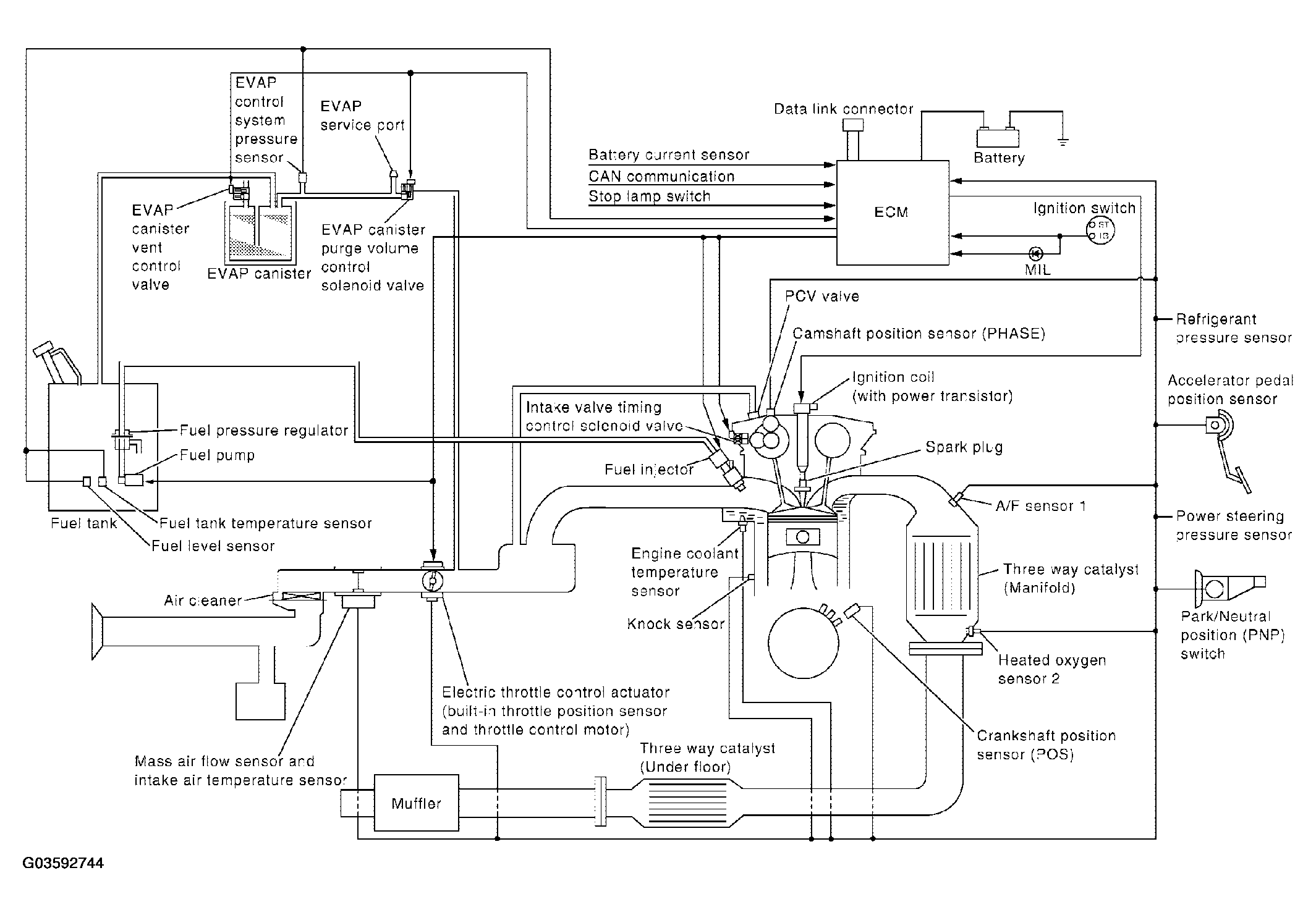
System Diagram

WARNING: This page is about a different car, the 2005 Nissan Frontier. However, it is still accessible from the selected car via links, so may be relevant.
Fig 1: Engine Control System - System Diagram
G03592744Courtesy of NISSAN MOTOR CO., U.S.A.