LEMON Manuals: Even more car manuals for everyone: 1960-2025
Home >> Nissan-Datsun >> 2002 >> Sentra SE-R, Automatic >> Repair and Diagnosis >> Transmission >> Automatic Trans >> Automatic Transaxle Re4F04B >> Overall System >> Hydraulic Control Circuit
April 5, 2026: LEMON Manuals is launched! Read the announcement.

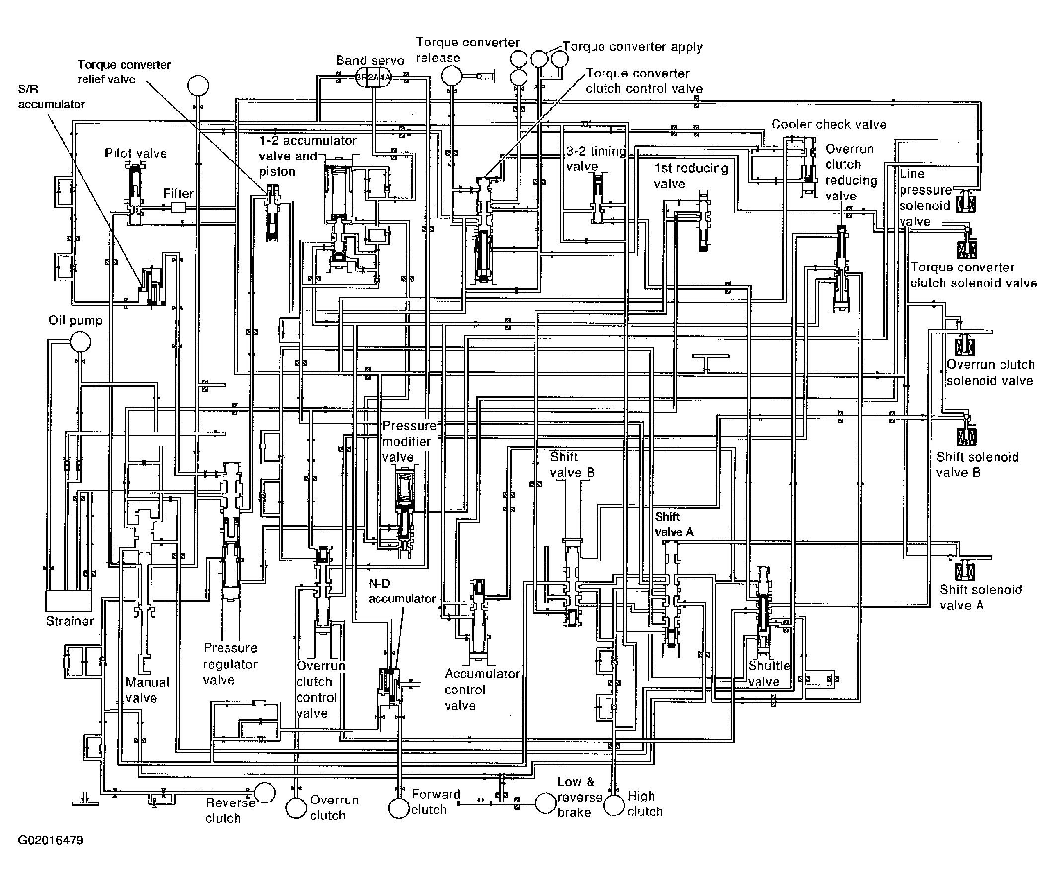
Hydraulic Control Circuit

Fig 1: Automatic Transaxle System Hydraulic Control Circuit Diagram
G02016479Courtesy of NISSAN MOTOR CO., U.S.A.