LEMON Manuals: Even more car manuals for everyone: 1960-2025
Home >> Nissan-Datsun >> 2002 >> Sentra SE-R, Standard >> Repair and Diagnosis >> External Pages >> Different car >> Section 1014 (Starting System) >> Starting System >> Wiring Diagram-Start >> M/T Model
April 5, 2026: LEMON Manuals is launched! Read the announcement.

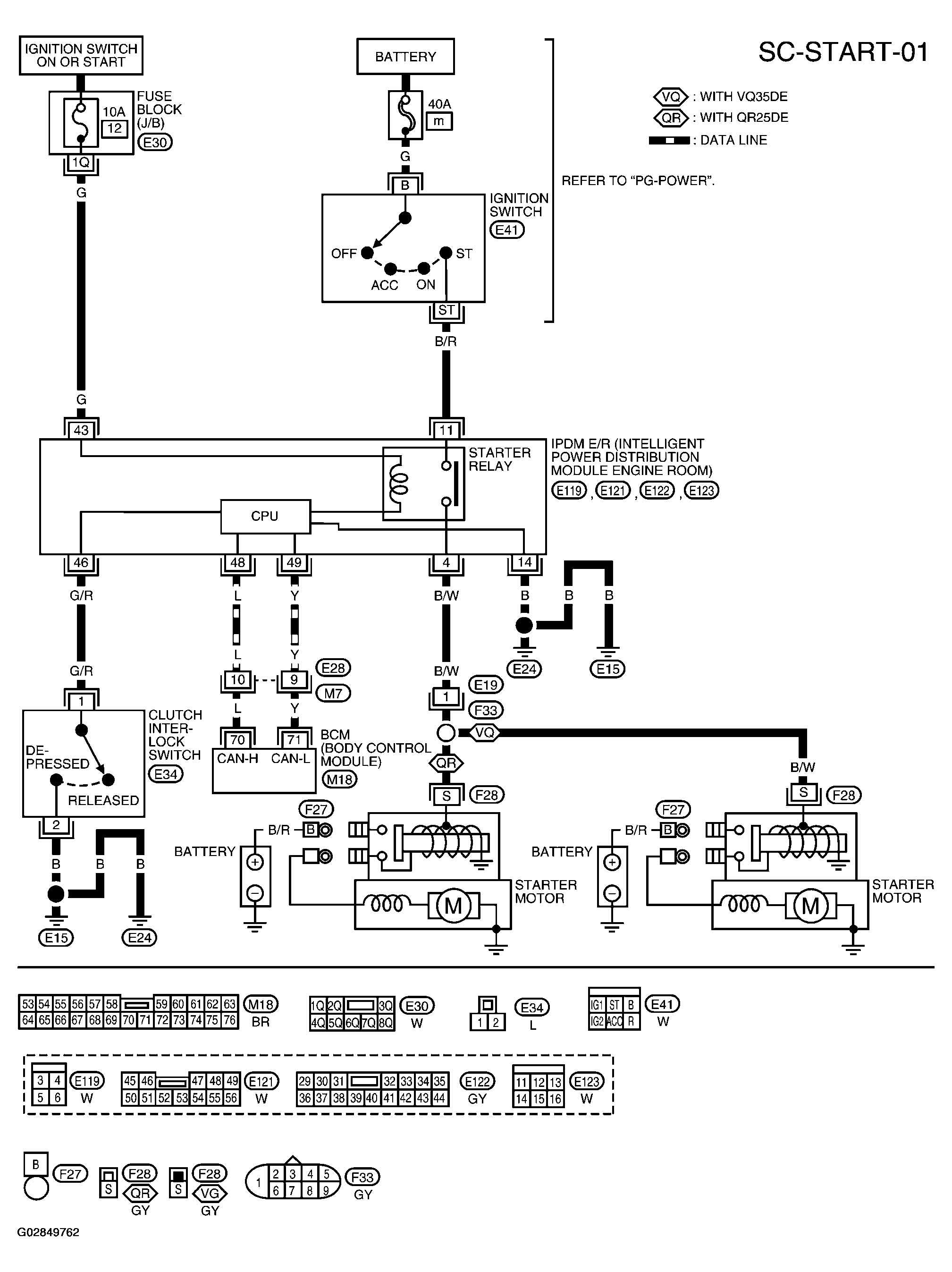
M/T Model

WARNING: This page is about a different car, the 2003 Nissan Altima. However, it is still accessible from the selected car via links, so may be relevant.
Fig 1: Wiring Diagram-Start (M/T Model)
G02849762Courtesy of NISSAN MOTOR CO., U.S.A.