LEMON Manuals: Even more car manuals for everyone: 1960-2025
Home >> Nissan-Datsun >> 2002 >> Sentra SE-R, Standard >> Repair and Diagnosis >> External Pages >> Different car >> Section 1428 (Audio Visual, Navigation & Telephone System) >> Integrated Display System >> Schematic 92
April 5, 2026: LEMON Manuals is launched! Read the announcement.

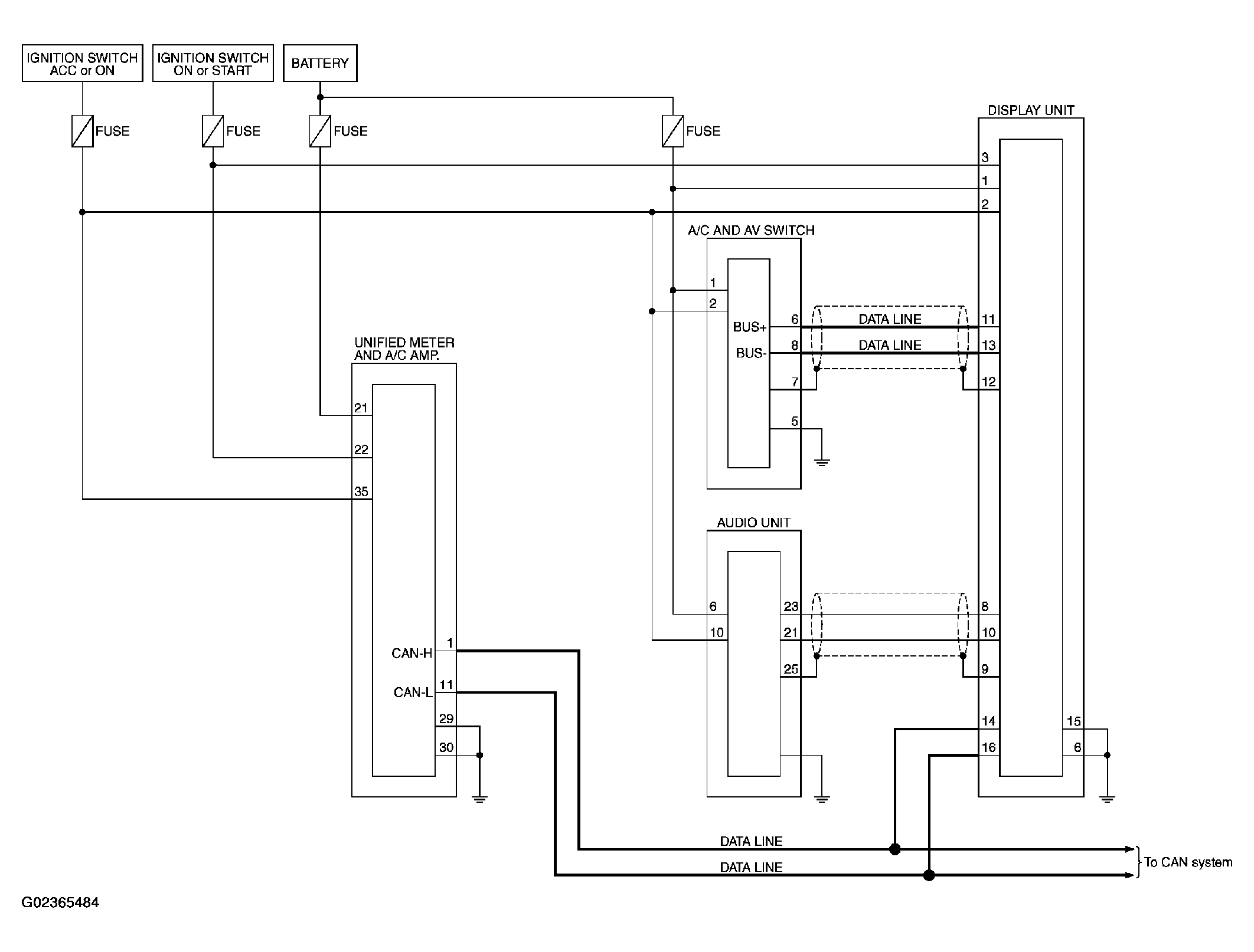
Schematic 92

WARNING: This page is about a different car, the 2005 Infiniti FX45 and 2005 Infiniti FX35. However, it is still accessible from the selected car via links, so may be relevant.
Fig 1: Integrated Display System - Schematic
G02365484Courtesy of NISSAN MOTOR CO., U.S.A.