LEMON Manuals: Even more car manuals for everyone: 1960-2025
Home >> Nissan-Datsun >> 2002 >> Sentra SE-R, Standard >> Repair and Diagnosis >> External Pages >> Different car >> Section 1601 (Body, Lock & Security System) >> Remote Keyless Entry System >> Schematic (King Cab)
April 5, 2026: LEMON Manuals is launched! Read the announcement.

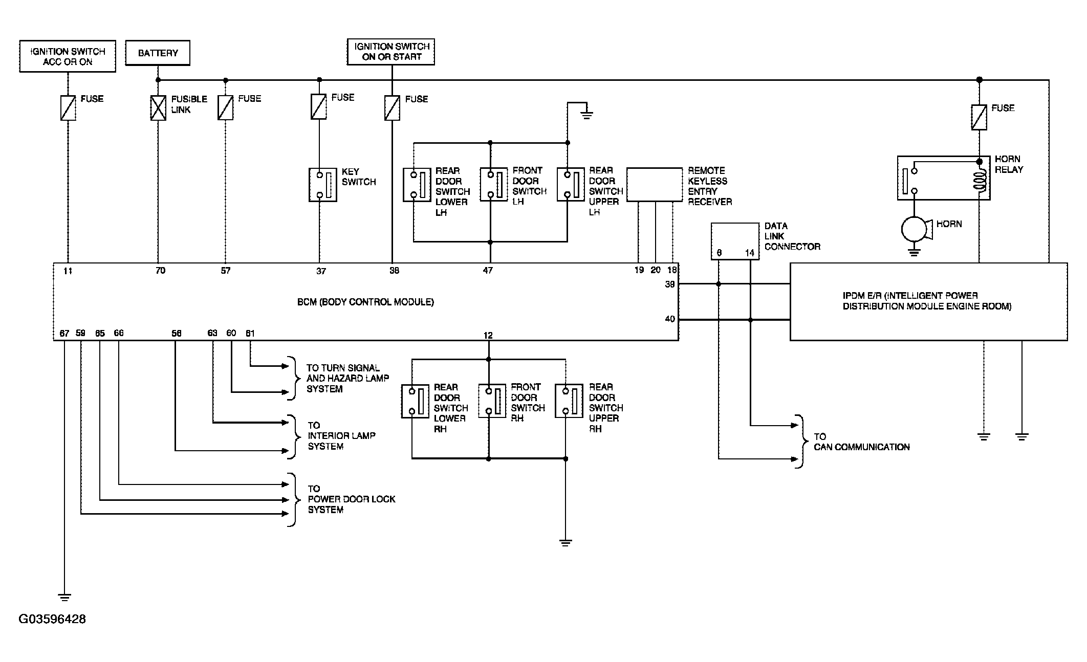
Schematic (King Cab)

WARNING: This page is about a different car, the 2005 Nissan Frontier. However, it is still accessible from the selected car via links, so may be relevant.
Fig 1: Schematic Diagram - King Cab
G03596428Courtesy of NISSAN MOTOR CO., U.S.A.