LEMON Manuals: Even more car manuals for everyone: 1960-2025
Home >> Nissan-Datsun >> 2002 >> Sentra SE-R, Standard >> Repair and Diagnosis >> External Pages >> Different car >> Section 2134 (Audio, Visual, Navigation & Telephone System) >> Audio >> Schematic >> Mid Level System (With Monochrome Display)
April 5, 2026: LEMON Manuals is launched! Read the announcement.

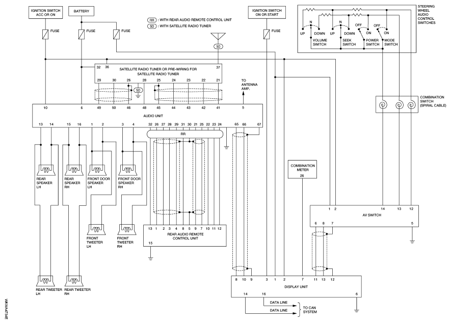
Mid Level System (With Monochrome Display)

WARNING: This page is about a different car, the 2008 Nissan Quest. However, it is still accessible from the selected car via links, so may be relevant.
Fig 1: Mid Level System Schematic Diagram (With Monochrome Display)
G04908964Courtesy of NISSAN MOTOR CO., U.S.A.