LEMON Manuals: Even more car manuals for everyone: 1960-2025
Home >> Nissan-Datsun >> 2002 >> Sentra SE-R, Standard >> Repair and Diagnosis >> External Pages >> Different car >> Section 2359 (Engine Control System - DTCS P1148 To P2A03) >> DTC P1220 Fuel Pump Control Module (FPCM) >> Wiring Diagram
April 5, 2026: LEMON Manuals is launched! Read the announcement.

DTC P1220 Fuel Pump Control Module (FPCM): Wiring Diagram

WARNING: This page is about a different car, the 2006 Nissan Titan. However, it is still accessible from the selected car via links, so may be relevant.
NOTE: For PG-POWER references, refer to POWER SUPPLY, GROUND & CIRCUIT ELEMENTS .
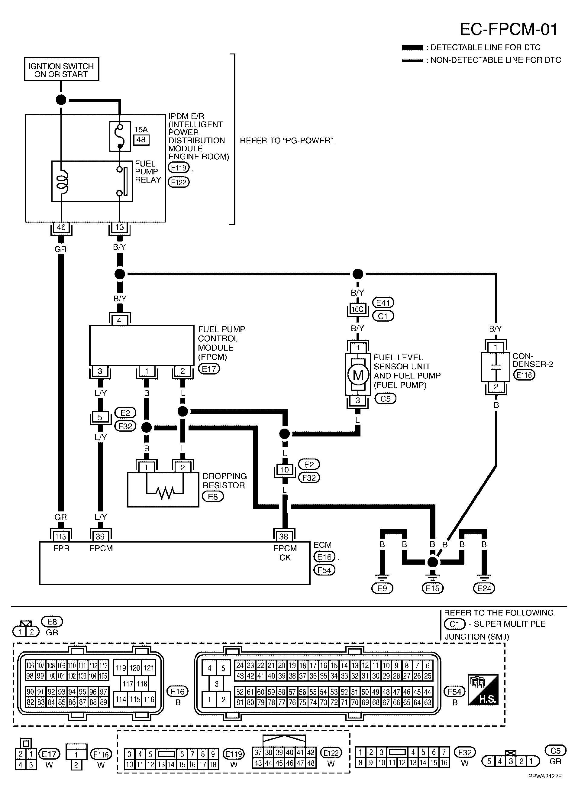
Fig 1: Identifying Wiring Diagram (EC-FPCM-01)
G04185479Courtesy of NISSAN MOTOR CO., U.S.A.

Specification data are reference values and are measured between each terminal and ground.

CAUTION: Do not use ECM ground terminals when measuring input/output voltage. Doing so may result in damage to the ECM's transistor. Use a ground other than ECM terminals, such as the ground.
TERMINAL WIRE ITEM CONDITION CHART

TERMINAL NO. WIRE COLOR ITEM CONDITION DATA (DC Voltage)
38 L Fuel pump control module (FPCM) check [Ignition switch: ON] 
  • More than a few seconds after turning ignition switch ON
Approximately 0V
[Ignition switch: ON] 
  • For a few seconds after turning ignition switch ON

[Engine is running] 
  • Warm-up condition 
  • Idle speed
4 - 6V
39 L/Y Fuel pump control module (FPCM) [When cranking engine]  0 - 0.5V
[Engine is running] 
  • Warm-up condition 
  • Idle speed
8 - 12V
113 GR Fuel pump relay [Ignition switch: ON] 
  • For 1 second after turning ignition switch ON

[Engine is running] 
0 - 1.5V
[Ignition switch: ON] 
  • More than 1 second after turning ignition switch ON
BATTERY VOLTAGE (11 - 14V)