LEMON Manuals: Even more car manuals for everyone: 1960-2025
Home >> Nissan-Datsun >> 2002 >> Sentra SE-R, Standard >> Repair and Diagnosis >> External Pages >> Different car >> Section 439 (2004 - Remote Keyless Entry System - Sedan) >> Remote Keyless Entry System >> Wiring Diagram - KEYLES-
April 5, 2026: LEMON Manuals is launched! Read the announcement.

Wiring Diagram - KEYLES-

WARNING: This page is about a different car, the 2004 Infiniti G35. However, it is still accessible from the selected car via links, so may be relevant.
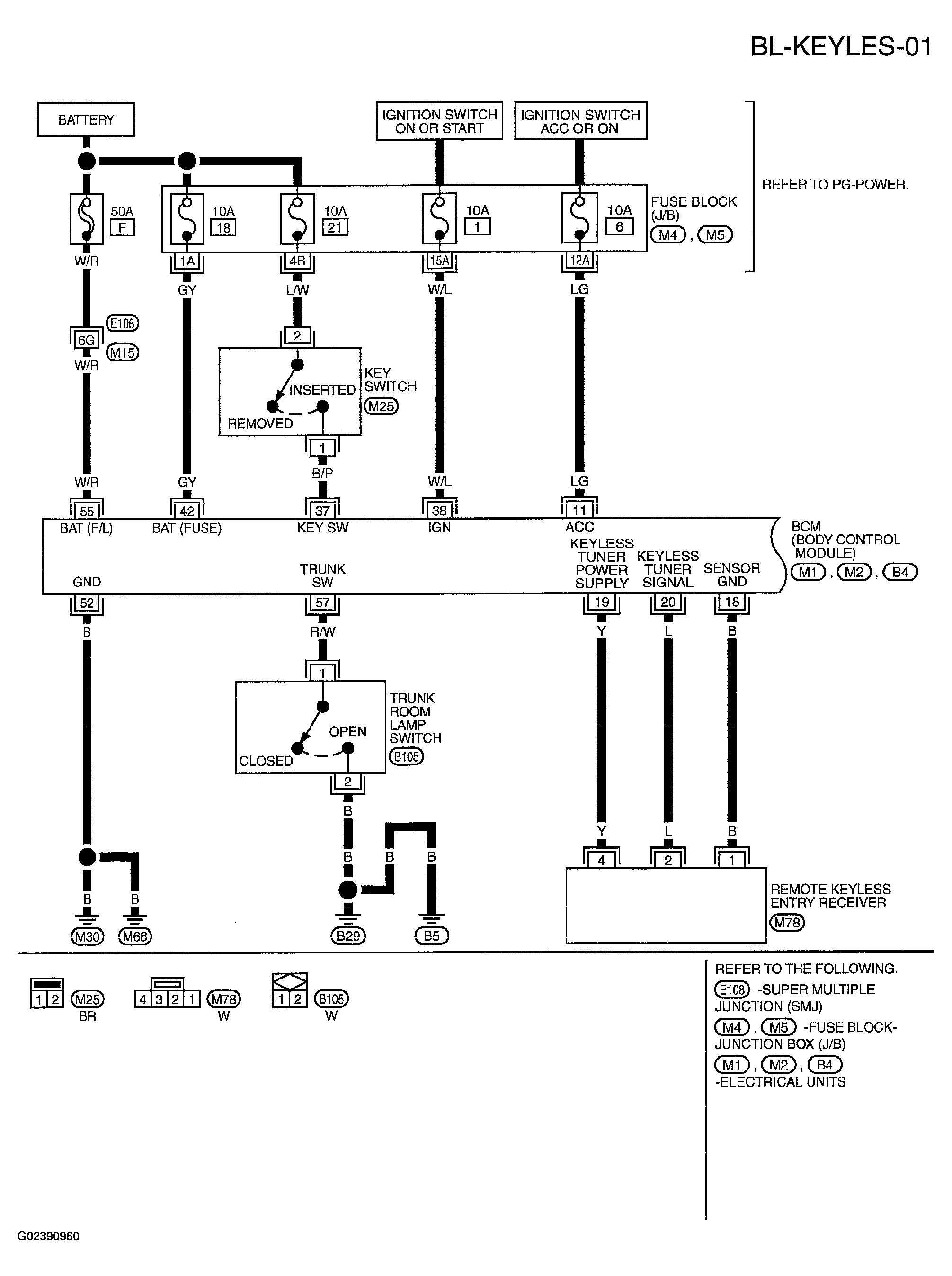
NOTE: For wiring diagram references to PG-POWER  , see POWER DISTRIBUTION .
Fig 1: Wiring Diagram - BL-KEYLES-01
G02390960Courtesy of NISSAN MOTOR CO., U.S.A.
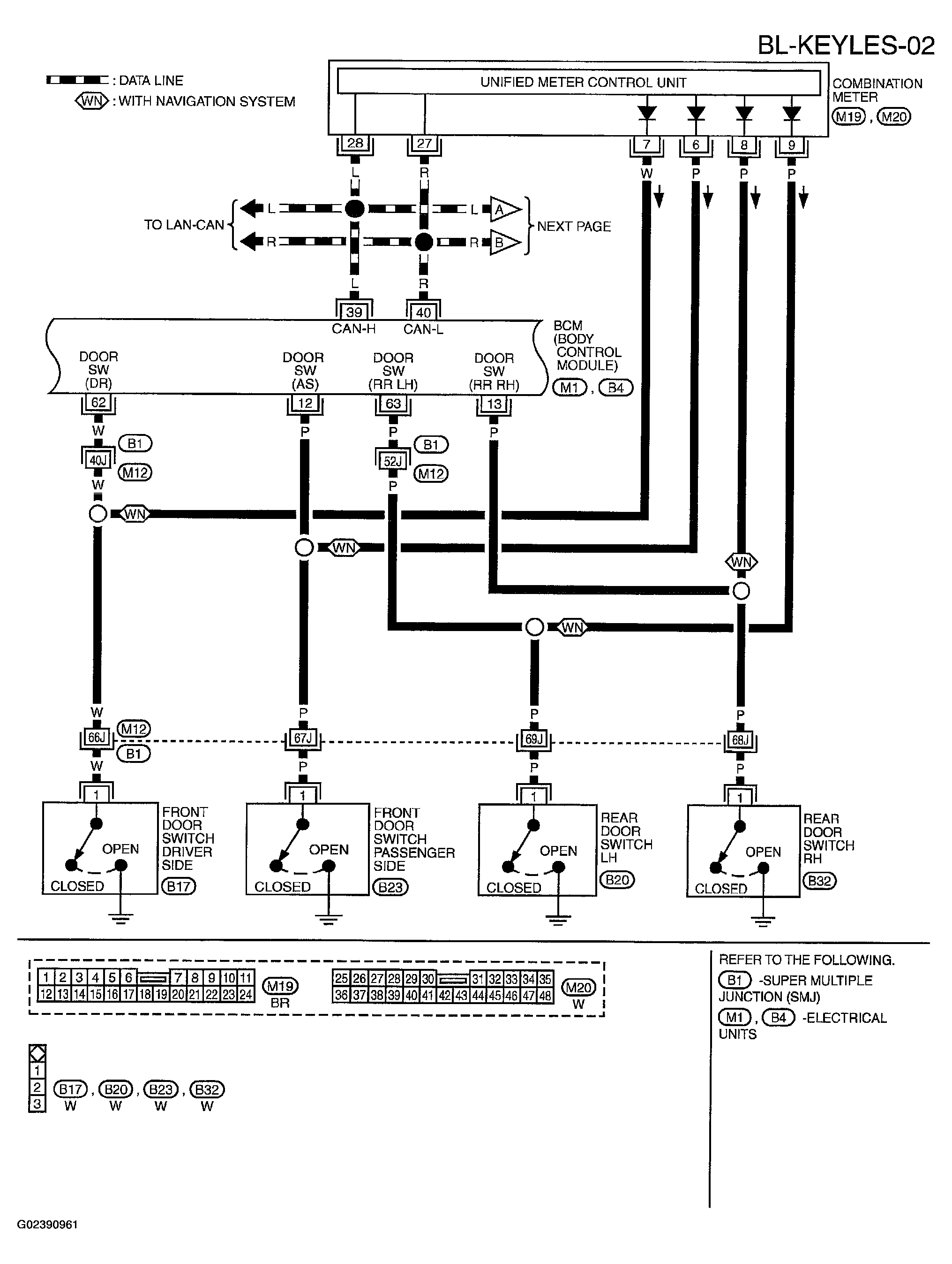
Fig 2: Wiring Diagram - BL-KEYLES-02
G02390961Courtesy of NISSAN MOTOR CO., U.S.A.
Fig 3: Wiring Diagram - BL-KEYLES-03
G02390962Courtesy of NISSAN MOTOR CO., U.S.A.
Fig 4: Wiring Diagram - BL-KEYLES-04
G02390963Courtesy of NISSAN MOTOR CO., U.S.A.