LEMON Manuals: Even more car manuals for everyone: 1960-2025
Home >> Nissan-Datsun >> 2003 >> Maxima GLE >> Repair and Diagnosis >> Transmission >> Automatic Trans >> Automatic Transaxle >> Overall System >> Hydraulic Control Circuit
April 5, 2026: LEMON Manuals is launched! Read the announcement.

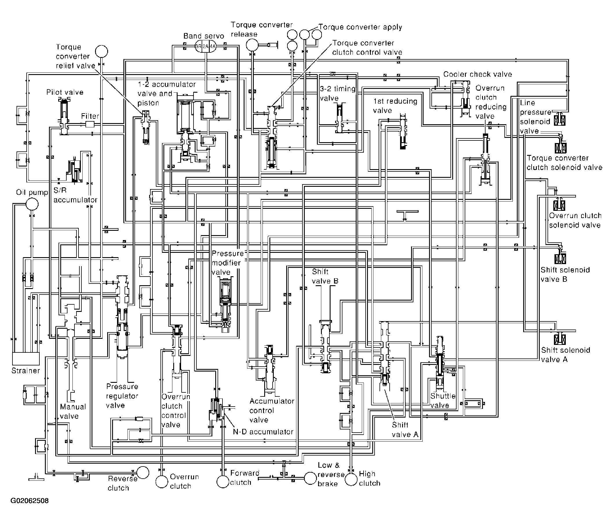
Hydraulic Control Circuit

Fig 1: Hydraulic Control Circuit
G02062508Courtesy of NISSAN MOTOR CO., U.S.A.