LEMON Manuals: Even more car manuals for everyone: 1960-2025
Home >> Nissan-Datsun >> 2003 >> Sentra Limited >> Repair and Diagnosis (Single Page) >> Engine Performance >> System >> Engine Controls - Self-Diagnostics (Qr25DE) >> Diagnostic Tests >> DTC P0122: Throttle Position Sensor 2 Circuit Low Input & DTC P0123: Throttle Position Sensor 2 Circuit High Input >> Circuit Identification
April 5, 2026: LEMON Manuals is launched! Read the announcement.

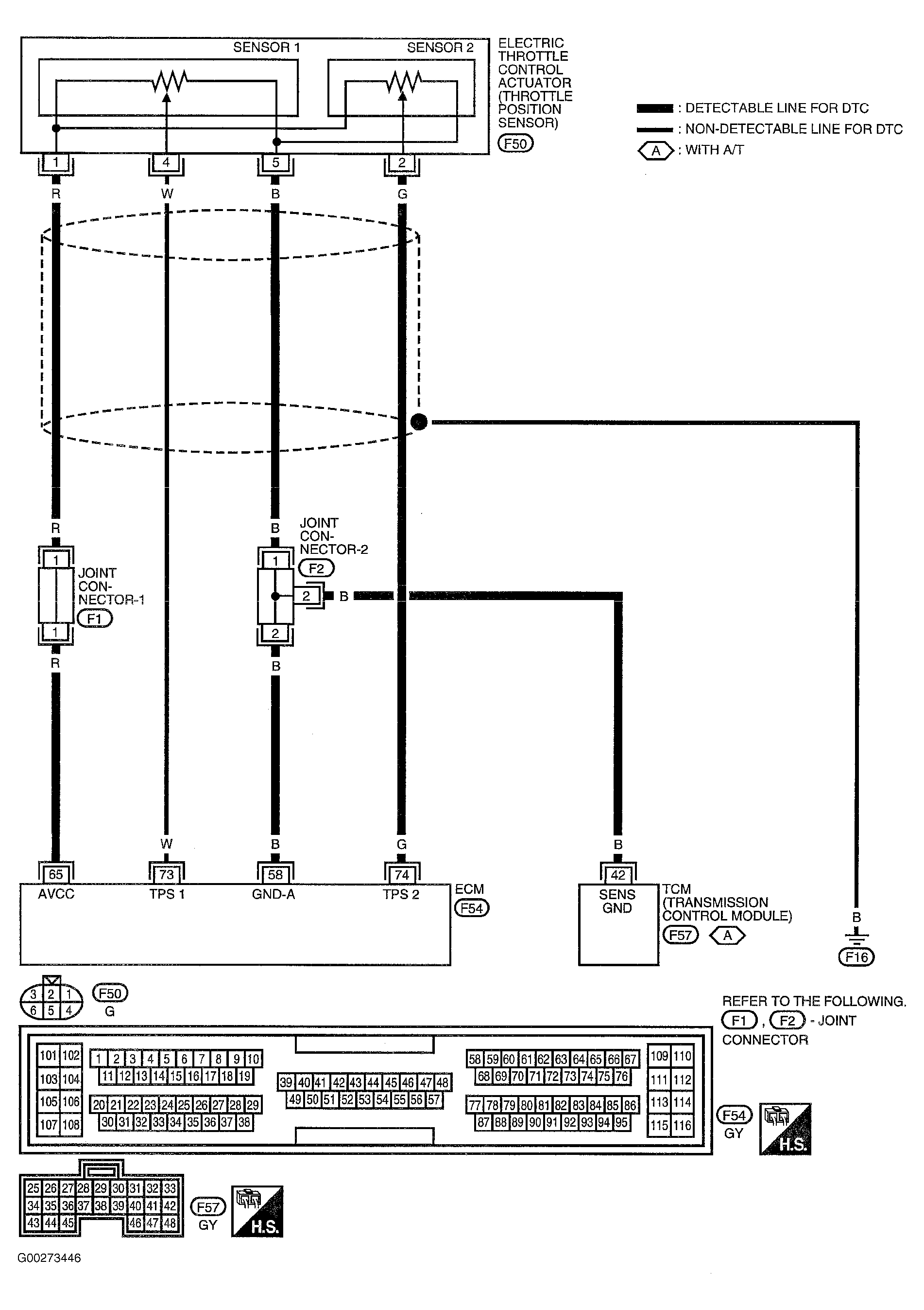
Circuit Identification

For circuit identification, see Fig 1 and Fig 2 .

Fig 1: DTCs P0122 & P0123 Throttle Position (TP) Sensor Circuit Diagram
G00273446Courtesy of NISSAN MOTOR CO., U.S.A.
Fig 2: DTCs P0122 & P0123 Throttle Position (TP) Sensor Circuit Terminal Identification
G00273447Courtesy of NISSAN MOTOR CO., U.S.A.