LEMON Manuals: Even more car manuals for everyone: 1960-2025
Home >> Nissan-Datsun >> 2003 >> Sentra Limited >> Repair and Diagnosis (Single Page) >> Engine Performance >> System >> Engine Controls - Self-Diagnostics (Qr25DE) >> Diagnostic Tests >> DTC P1124: Throttle Control Motor Relay Circuit Shorted & DTC P1126: Throttle Control Motor Relay Circuit Open >> Circuit Identification
April 5, 2026: LEMON Manuals is launched! Read the announcement.

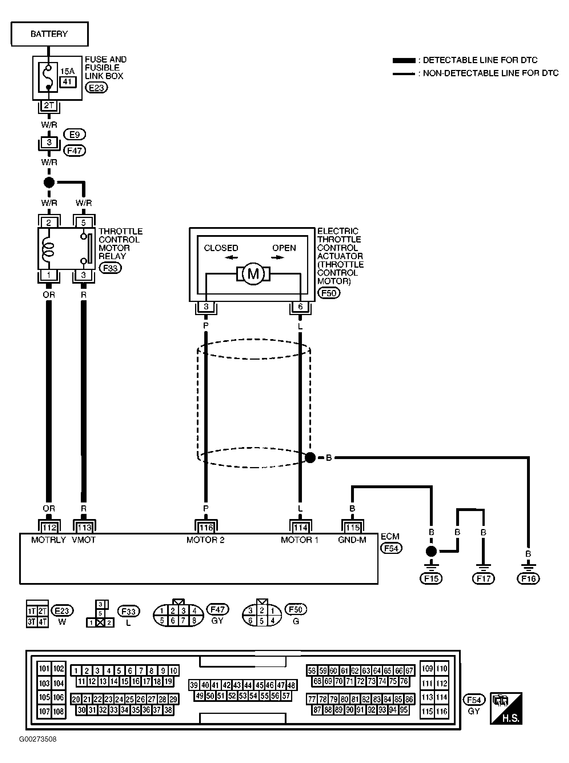
Circuit Identification

For circuit identification, see Fig 1 and Fig 2 .

Fig 1: DTCs P1124 & P1126 Throttle Control Motor Relay Circuit Diagram
G00273508Courtesy of NISSAN MOTOR CO., U.S.A.
Fig 2: DTCs P1124 & P1126 Throttle Control Motor Relay Circuit Terminal Identification
G00273509Courtesy of NISSAN MOTOR CO., U.S.A.