LEMON Manuals: Even more car manuals for everyone: 1960-2025
Home >> Nissan-Datsun >> 2003 >> Sentra SE-R Spec V >> Repair and Diagnosis (Single Page) >> Engine Performance >> System >> Engine Controls - System & Component Testing >> Ignition System >> Ignition Signal Circuits >> 350Z
April 5, 2026: LEMON Manuals is launched! Read the announcement.

Ignition Signal Circuits: 350Z

For ignition signal circuit system and component testing, see Fig 1-Fig 11 . For diagnosis of ECM power supply circuit, see POWER & GROUND CIRCUITS (350Z) . For intermittent problem, see INTERMITTENTS in TROUBLE SHOOTING - NO CODES article.

Fig 1: Ignition Signal Circuit System & Component Testing Procedure (350Z - 1 Of 11)
G00272731Courtesy of NISSAN MOTOR CO., U.S.A.
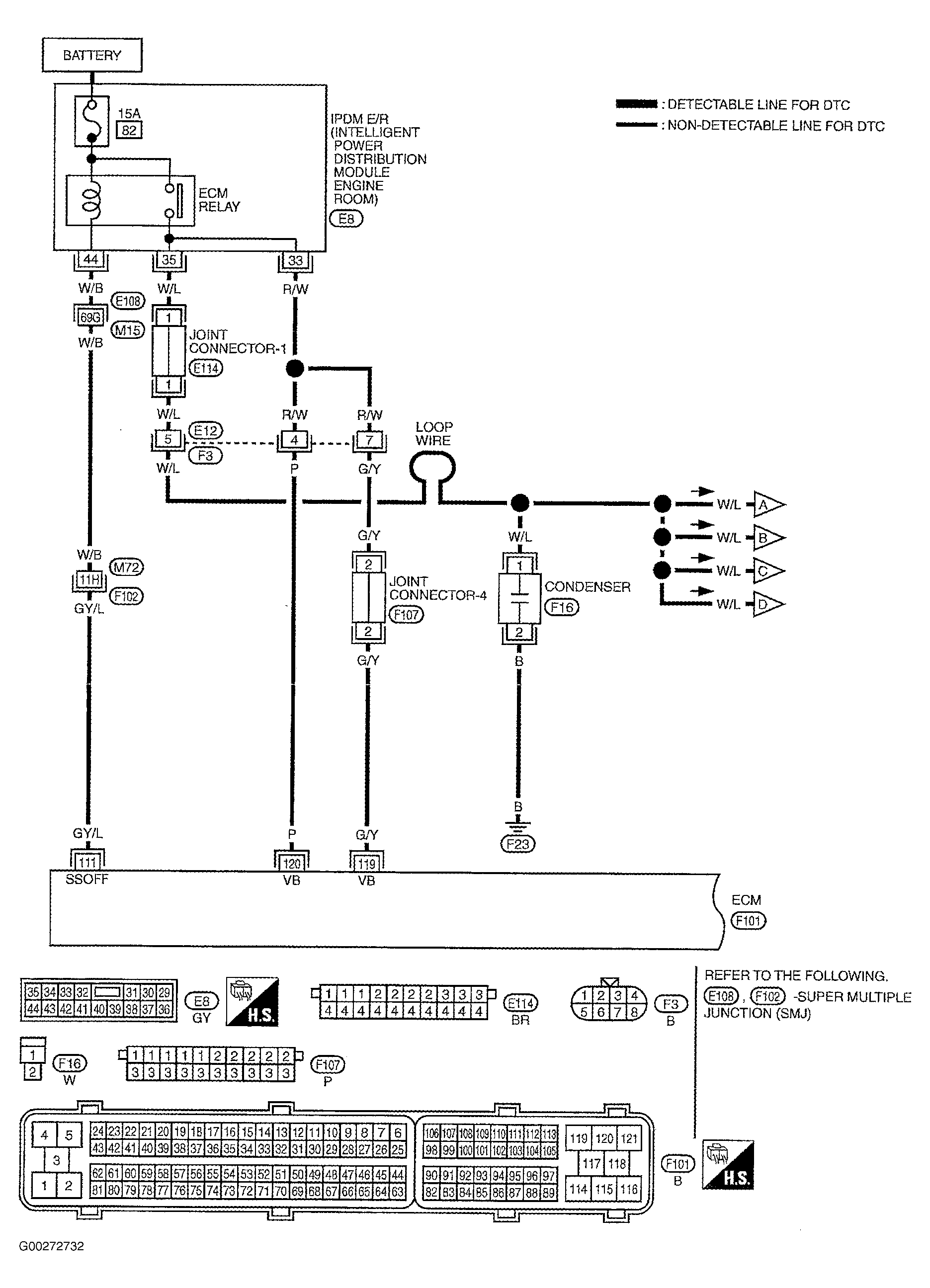
Fig 2: Ignition Signal Circuit System & Component Testing Procedure (350Z - 2 Of 11)
G00272732Courtesy of NISSAN MOTOR CO., U.S.A.
Fig 3: Ignition Signal Circuit System & Component Testing Procedure (350Z - 3 Of 11)
G00272733Courtesy of NISSAN MOTOR CO., U.S.A.
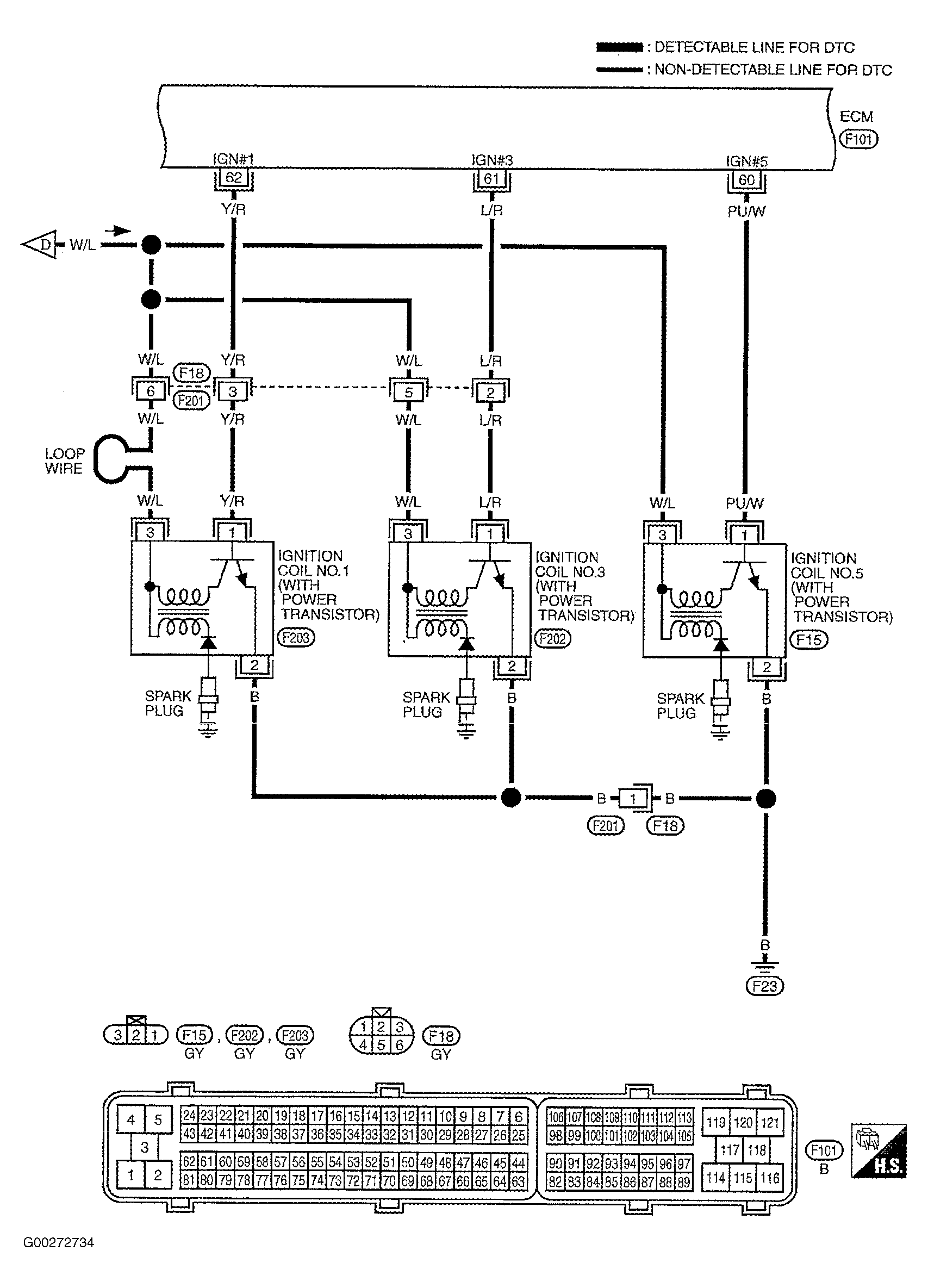
Fig 4: Ignition Signal Circuit System & Component Testing Procedure (350Z - 4 Of 11)
G00272734Courtesy of NISSAN MOTOR CO., U.S.A.
Fig 5: Ignition Signal Circuit System & Component Testing Procedure (350Z - 5 Of 11)
G00272735Courtesy of NISSAN MOTOR CO., U.S.A.
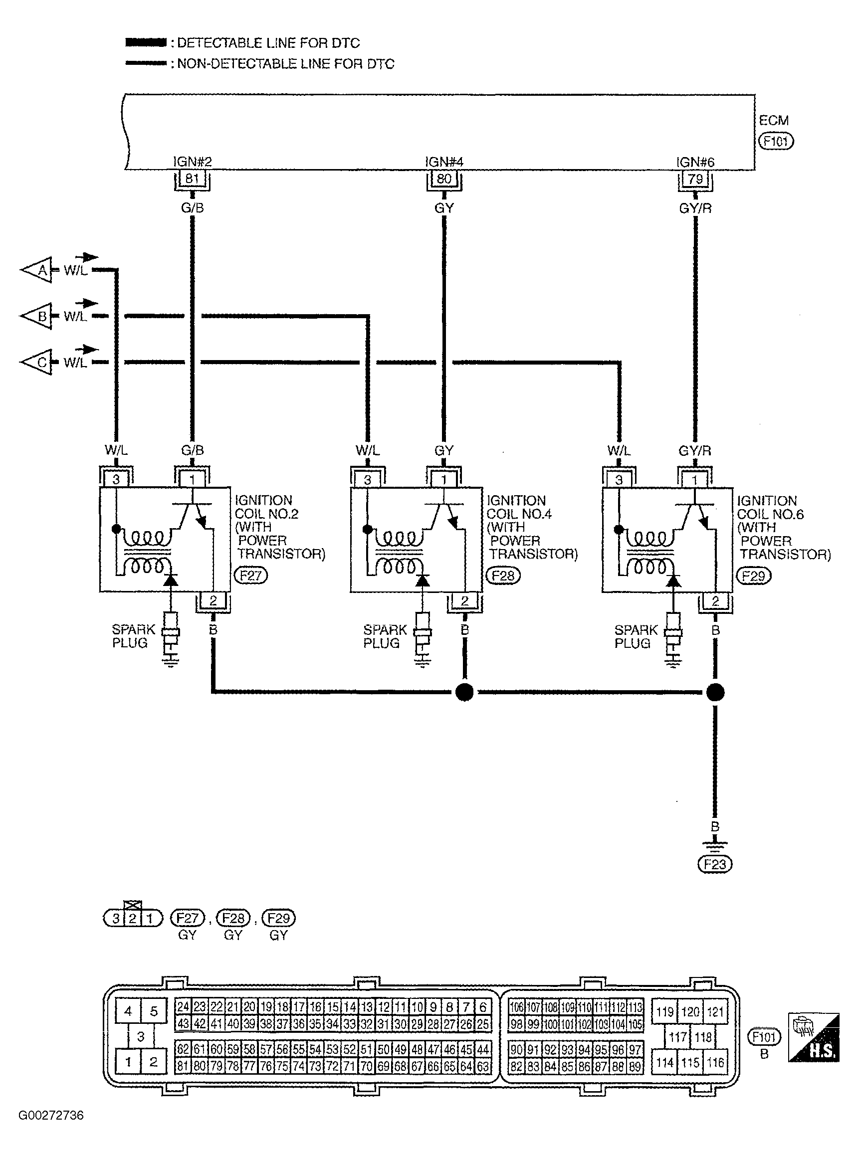
Fig 6: Ignition Signal Circuit System & Component Testing Procedure (350Z - 6 Of 11)
G00272736Courtesy of NISSAN MOTOR CO., U.S.A.
Fig 7: Ignition Signal Circuit System & Component Testing Procedure (350Z - 7 Of 11)
G00272737Courtesy of NISSAN MOTOR CO., U.S.A.
Fig 8: Ignition Signal Circuit System & Component Testing Procedure (350Z - 8 Of 11)
G00272738Courtesy of NISSAN MOTOR CO., U.S.A.
Fig 9: Ignition Signal Circuit System & Component Testing Procedure (350Z - 9 Of 11)
G00272739Courtesy of NISSAN MOTOR CO., U.S.A.
Fig 10: Ignition Signal Circuit System & Component Testing Procedure (350Z - 10 Of 11)
G00272740Courtesy of NISSAN MOTOR CO., U.S.A.
Fig 11: Ignition Signal Circuit System & Component Testing Procedure (350Z - 11 Of 11)
G00272741Courtesy of NISSAN MOTOR CO., U.S.A.