LEMON Manuals: Even more car manuals for everyone: 1960-2025
Home >> Nissan-Datsun >> 2003 >> Sentra SE-R Spec V >> Repair and Diagnosis (Single Page) >> Engine Performance >> Testing & Diagnosis >> Engine Controls - System & Component Testing >> Computerized Engine Controls >> Engine Control Module >> Power & Ground Circuits (Pathfinder)
April 5, 2026: LEMON Manuals is launched! Read the announcement.

Power & Ground Circuits (Pathfinder)

For ECM power and ground circuit wiring diagram and diagnostic procedure, see Fig 1-Fig 7 . If no problem is found, check ignition signal. See IGNITION SIGNAL CIRCUITS  under IGNITION SYSTEM. For intermittent diagnosis, see INTERMITTENTS in TROUBLE SHOOTING - NO CODES article.

For engine control system component locations, see Figure-Figure . For ECM location, connector and terminal view, see Figure. For removal and installation of components, see appropriate REMOVAL & INSTALLATION article.

Fig 1: ECM Power Supply Circuit Diagnostic Procedure (Pathfinder - 1 Of 7)
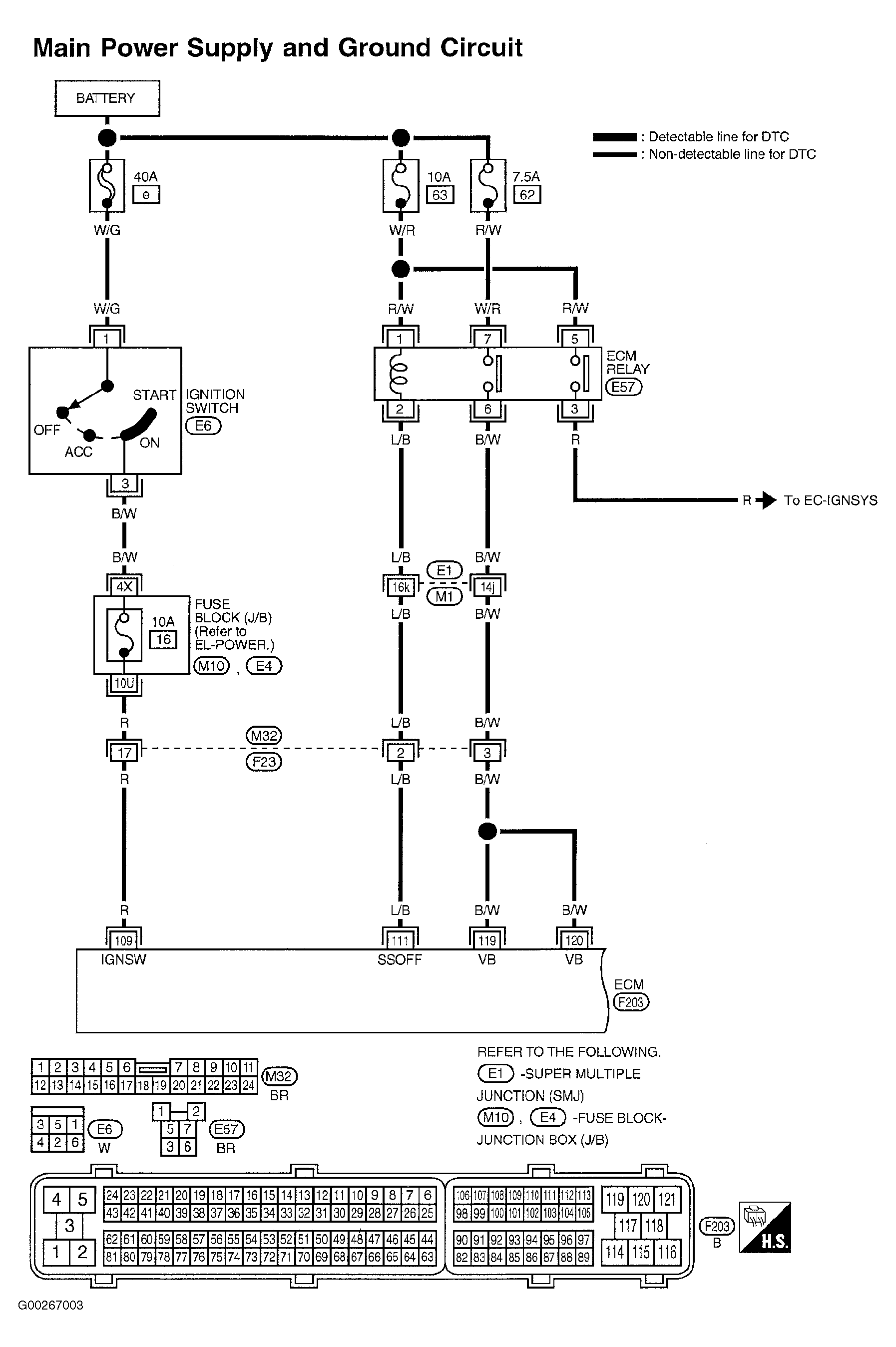
G00267003Courtesy of NISSAN MOTOR CO., U.S.A.
Fig 2: ECM Power Supply Circuit Diagnostic Procedure (Pathfinder - 2 Of 7)
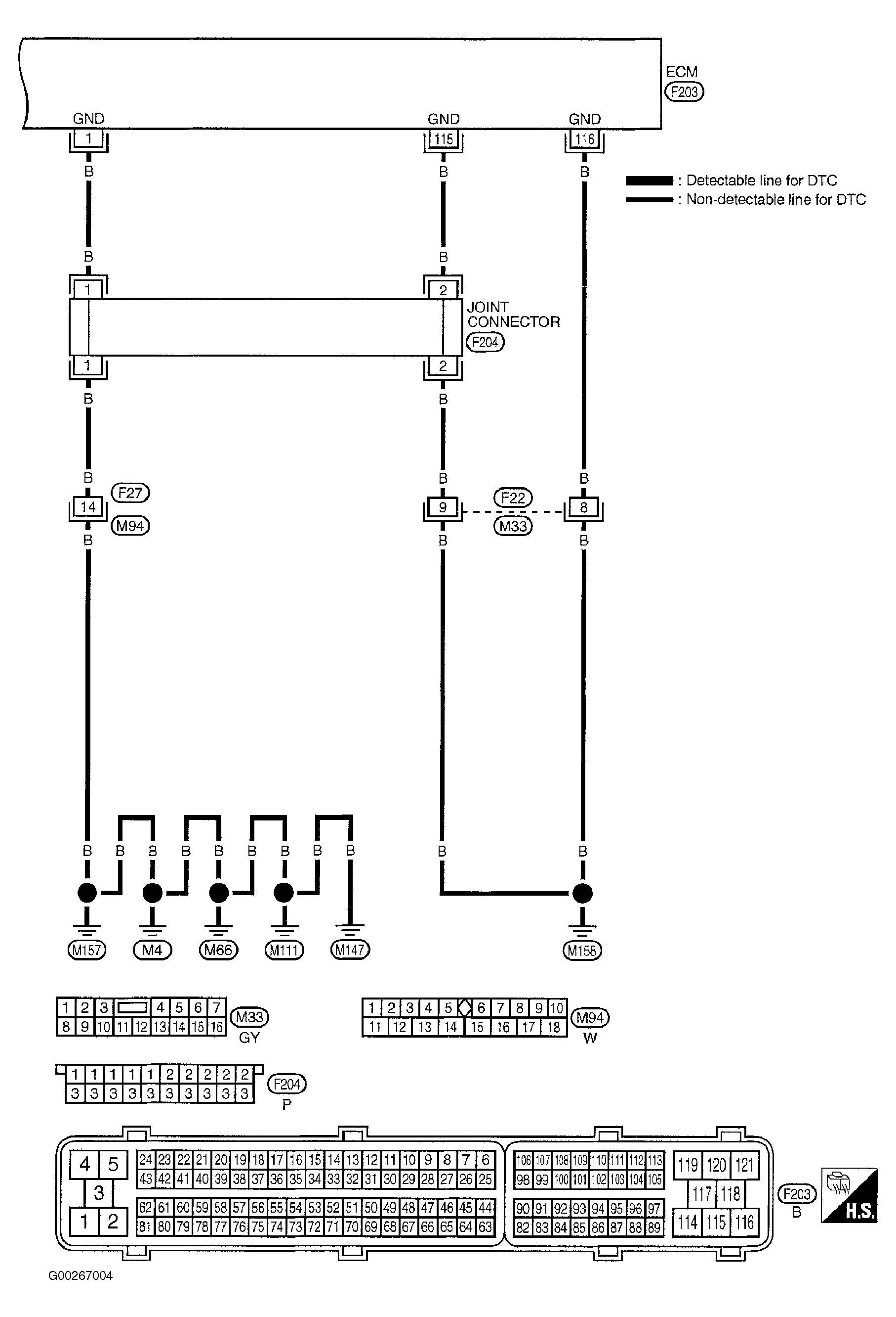
G00267004Courtesy of NISSAN MOTOR CO., U.S.A.
Fig 3: ECM Power Supply Circuit Diagnostic Procedure (Pathfinder - 3 Of 7)
G00267005Courtesy of NISSAN MOTOR CO., U.S.A.
Fig 4: ECM Power Supply Circuit Diagnostic Procedure (Pathfinder - 4 Of 7)
G00267006Courtesy of NISSAN MOTOR CO., U.S.A.
Fig 5: ECM Power Supply Circuit Diagnostic Procedure (Pathfinder - 5 Of 7)
G00267007Courtesy of NISSAN MOTOR CO., U.S.A.
Fig 6: ECM Power Supply Circuit Diagnostic Procedure (Pathfinder - 6 Of 7)
G00267008Courtesy of NISSAN MOTOR CO., U.S.A.
Fig 7: ECM Power Supply Circuit Diagnostic Procedure (Pathfinder - 7 Of 7)
G00267009Courtesy of NISSAN MOTOR CO., U.S.A.
Fig 8: Identifying Underhood Fuse & Relay Panel Components (Pathfinder)
G00051950Courtesy of NISSAN MOTOR CO., U.S.A.